Infineon Technologies MOTIX™ TLE9189 Gate-Treiber-ICs
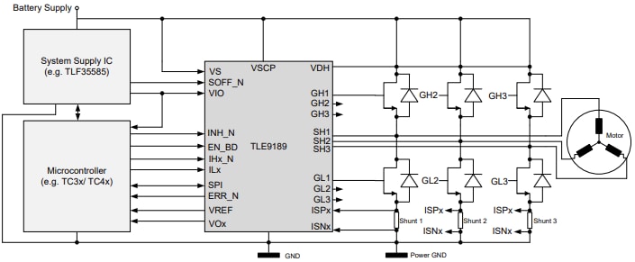
Die MOTIX™ TLE9189 Gate-Treiber-ICs von Infineon Technologies sind 3-Phasen-ICs, die für sicherheitskritische Anwendungen für 12 V bürstenlose Gleichstrommotoren entwickelt wurden. Diese Treiber-ICs bieten AEC-Q100 Grade 0 und ISO 26262 Konformität, was sie ideal für Brake-by-Wire und Steer-by-Wire Systeme macht, bei denen herkömmliche mechanische Verbindungen in Zukunft wegfallen werden. Weitere Merkmale sind ein konventionelles Motorsteuerungskonzept, das aus einem PWM-Eingang und integrierten Strommessverstärkern für eine genaue Strommessung besteht. Die MOTIX TLE9189 Gate-Treiber-ICs von Infineon Technologies verfügen über eine einzigartige adaptive MOSFET-Steuerungsfunktion, mit der die EMV-Leistung verbessert, die angestrebte Schaltzeit erreicht und die Verlustleistung reduziert werden kann.Merkmale
- Leistungsstarker 3-Phasen-Brückentreiber zum Schalten von 6 N-Kanal FETs mit einem QGtot von 200 nC bei 20 kHz PWM
- Stromquellengesteuerte Endstufen Gxx mit adaptiver MOSFET-Gate-Steuerung
- 0 % bis 100 % Einschaltdauer und ohne Einschränkungen einstellbar
- 3 Strommessverstärker für die Low-Side-Shunt-Strommessung mit einer hohen Genauigkeit von 1 % und einer schnellen Einschwingzeit von 1μs
- Spezifizierter voll funktionalerVersorgungsspannungsbereich von 4,2 V bis 36 V für ein 12 V-Batterieversorgungssystem
- Konfigurierbare Fehlerreaktionen, einschließlich Motorbremsfunktion
- Erweiterte Überwachungs- und Diagnosefunktionen über die Serielle Peripherieschnittstelle (SPI)
- Entwickelt nach ISO 26262 ASIL-D
- Zusätzlicher Pin zur Steuerung des sicheren Zustands SOFF_N
- Digitale Pins und Ausgangspins mit hoher Spannungsfestigkeit
- ISO 26262 Sicherheitselement außerhalb des Kontextes für Sicherheitsanforderungen bis ASIL D
- Sicherheitsbarriere zur Mikrocontroller-Schnittstelle
- SPI-Fenster-Watchdog für Mikrocontroller-Überwachung
- Passive Klemmung von externen FETs
- Modus mit niedrigem Ruhestrom
- Optimierte Pinbelegung
- Grünes Produkt (RoHS-konform)
- Nach AEC qualifiziert
Applikationen
- Elektrische Servolenkung (EPS)
- Elektrische Bremskraftverstärker (EBB)
- Funktionale sicherheitsrelevante BLDC- oder PMSM-Motorantriebe
Videos
Blockdiagramm
Veröffentlichungsdatum: 2024-11-04
| Aktualisiert: 2025-09-26
