Infineon Technologies MOTIX™ 160 V Gate-Treiber
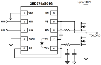
Die MOTIX™ 160V Gate-Treiber von Infineon Technologies sind ideal für Halbbrücken-BLDC-Motorantriebe. Die Infineon Treiber verfügen über integrierte Bootstrap-Dioden für den High-Side-Kondensator. Der Schutz umfasst eine Unterspannungssperre auf VCC und VB-Pins. Die Ausgangstreiber minimieren Querstrom mit einer Pufferstufe mit hohem Impulsstrom.Merkmale
- Bootstrap-Spannung (VB-Knoten) von +160 V
- Potenzialfreier Kanal, der für den Bootstrap-Betrieb ausgelegt ist
- Integrierte, ultraschnelle Bootstrap-Dioden mit niedrigem RON -Wert
- Unabhängige Unterspannungssperre für High- und Low-Side
- Integrierter Durchschussschutz mit eingebauter Totzeit
- Integrierter Kurzpuls-/Rauschunterdrückungs-Eingangsfilter
- Schmitt-Trigger-Eingänge mit Hysterese
- 3,3 V, 5 V Eingangslogik kompatibel, Ausgänge in Phase mit den Eingängen
- Erhältlich in einem VSON-10-lead-3 mm-x-3 mm-Gehäuse mit kleinem Footprint
- 2ED2744S01G 2,5 kV, 2ED2734S01G 2 kV HBM ESD, RoHs-konform
Applikationen
- Universal-Halbbrücken-gate-Treiber für n-Kanal-MOSFETs
- Servoantriebe in der Robotik und Fabrikautomation
- Universal-Niederspannungsantriebe oder -Umrichter
- e-Scooters, E-bikes und andere E-Fahrzeuge, die keine Automotive-Qualifizierung (LSEV) erfordern
- Batteriebetriebene kleine Haushaltsgeräte (SHA)
- Gewerbliche und landwirtschaftliche Drohnen
- Robotik für Fachleute und Verbraucher
- Logistics vehicles (e-forklifts autonome Lagerrobotik)
- Batteriebetriebene Handwerkzeuge
- Werkzeuge für Gartenarbeit oder Outdoor Power Equipment (OPE)
Veröffentlichungsdatum: 2023-08-29
| Aktualisiert: 2024-04-29
