Infineon Technologies IR38060 PMBus SupIRBuck DC/DC-Regler
Der IR38060 PMBus-SupIRBuck von Infineon ist ein benutzerfreundlicher, vollständig integrierter und hocheffizienter DC/DC-Regler. Der IR38060 verfügt über eine I2C-PMBus-Schnittstelle mit einem integrierten PWM-Controller und MOSFET. Der IR38060 ist eine platzsparende Lösung für präzise Stromzufuhr für niedrige Ausgangsspannung und Hochstrom-Applikationen.The IR38060 can be comprehensively configured via PMBus and the configuration stored in internal memory. In addition, PMBus commands allow run-time control, fault status, and telemetry.
The IR38060 can also operate as a standard analog regulator without any programming and can provide current and temperature telemetry in an analog format.
The Infineon Technologies IR38060 PMBus SupIRBuck DC-DC Regulator is offered in a compact 5mm x 6mm PQFN-26 package, ideal for space-constrained applications.
Merkmale
- Interner LDO ermöglicht Einzel-16V-Betrieb
- Ausgangsspannungsbereich: 0,5 V bis 0,875 PVin
- 0,5 % akkurate interne Spannungsreferenz
- Programmierbare Schaltfrequenz bis zu 1,5 MHz mit Rt/Sync-Pin oder PMBus
- Interner Soft-Start mit Vorspannungs-Start-up
- Freigabeeingang mit Spannungsüberwachung
- Fernerkundungs-Verstärker mit echter differentieller Spannungsmessung
- Schnellmodus-I2C und 400kHz-PMBus-Schnittstelle
- Sequenzierungs- und Tracking-fähig
- Analog- oder Digitalmodus auswählbar
- 66 PMBus-Befehle für Konfiguration, Steuerung, Fehlerschutz und Telemetrie
- Thermisch kompensierte Strombegrenzung mit konfigurierbaren Überstromantworten
- Optionaler Leichtlastwirkungsgrad-Modus
- Externe Synchronisation mit Glättungstakt
- Dedizierter Ausgangsspannungs-Erfassungsschutz, der auch bei niedrigen Freigabesignalen aktiv bleibt
- Integrierte MOSFETs und Bootstrap-Diode
- Sperrschichttemperatur bei Betrieb: -40 °C<Tj<125 °C
- Kleines 5x6 mm PQFN-Gehäuse
- Bleifrei (RoHS-konform)
Applikationen
- DC-DC
- Desktop and workstations
- Graphic boards
- Netcom and telecom
- Point of Load (PoL)
- Servers and storage
Typical Application Circuit
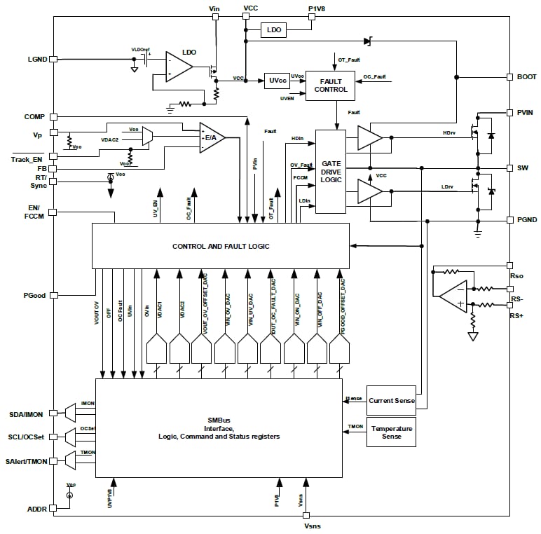
Blockdiagramm
Veröffentlichungsdatum: 2016-09-30
| Aktualisiert: 2026-03-09
