Infineon Technologies DF4-19MR20W3M1HF_B11 EasyPACK™-Modul
Das Infineon Technologies DF4-19MR20W3M1HF_B11 EasyPACK™-Modul wird mit dem Betrieb des CoolSiC™-Trench-MOSFETs und PressFIT/NTC konfiguriert. Das DF4-19MR20W3M1HF_B11 bietet ein Design mit hoher Stromdichte und niedriger Induktivität. Die Module verfügen über die PressFIT-Kontakttechnologie und integrieren einen NTC-Temperatursensor.Das DF4-19MR20W3M1HF_B11 EasyPACK-Modul von Infineon ist für Industrie- und Solarapplikationen qualifiziert.
Merkmale
- Elektrische Merkmale
- VDSS = 2.000 V
- IDN = 60 A/IDRM = 120 A
- Hohe Stromdichte
- Design mit niedriger Induktivität
- Mechanische Merkmale
- Robuste Montage durch integrierte Montageklemmen
- PressFit-Kontakttechnologie
- Integrierter NTC-Temperatursensor
Applikationen
- Für Industrieapplikationen gemäß den betreffenden Tests von IEC 60747, 60749 und 60068 qualifiziert
- Solarapplikationen
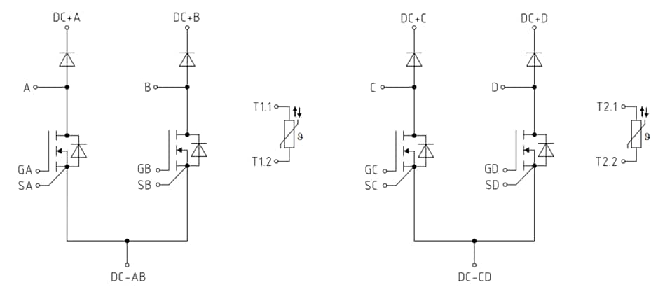
Schaltplan
Gehäuseabmessungen
Veröffentlichungsdatum: 2022-10-20
| Aktualisiert: 2022-12-29
