Infineon Technologies BTS3125EJ Demonstrationsboard
Das Infineon Technologies BTS3125EJ Demonstrationsboard ist zur Evaluierung der Funktionen und des Betriebsverhaltens der BTS3080TF hochintegrierten temperaturgeschützten MOSFET-Schalter (HITFET™) ausgelegt. Dieses Demonstrationsboard besteht aus zwei LEDs, die das STATUS-Signal und die Versorgung der umliegenden Schaltung anzeigen. Das BTS3125EJ Demonstrationsboard verfügt über eine integrierte programmierbare Drucktaste und eine Diagnosefunktion. Dieses Demonstrationsboard ist in der Lage, eine ohmsche, kapazitive oder induktive Last von 12 V anzusteuern und ist mit dem Arduino/XMC1100 Boot-Kit kompatibel. Das BTS3125EJ Demonstrationsboard ist RoHS-konform und wird in einem Versorgungsspannungsbereich von 6 V bis 31 V betrieben.Merkmale
- Evaluiert die Funktionen und das Betriebsverhalten der BTS3125EJ HITFET™-Schalter
- Diese zwei LEDs zeigen das STATUS-Signal und den Betrieb der umliegenden Schaltung an
- Integrierte programmierbare Drucktaste
- Diagnosefunktion
- Treibt eine ohmsche, kapazitive oder induktive Last von 12 V an
- Kompatibel mit Arduino/XMC1100 Boot-Kit
- RoHS-konform
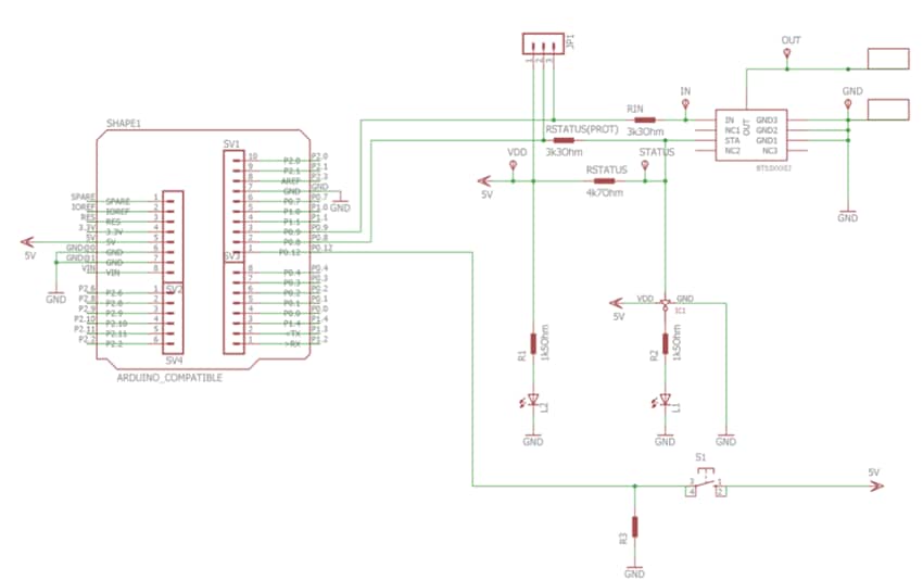
Schaltplan
Veröffentlichungsdatum: 2019-12-10
| Aktualisiert: 2024-01-23
