Infineon Technologies BTS3080EJ Demonstrationsboard

Das Infineon Technologies BTS3080EJ Demonstrationsboard ist zur Evaluierung der Funktionen und des Betriebsverhaltens der BTS3080EJ hochintegrierten temperaturgeschützten MOSFET-Schalter (HITFET™) ausgelegt. Dieses Demonstrationsboard verfügt über eine integrierte programmierbare Drucktaste und eine Diagnosefunktion. Das BTS3080EJ Demonstrationsboard ist in der Lage, eine ohmsche, kapazitive oder induktive Last von 12 V anzusteuern und ist mit dem Arduino/XMC1100 Boot-Kit kompatibel. Dieses Demonstrationsboard ist RoHS-konform und wird in einem Versorgungsspannungsbereich von 6 V bis 31 V betrieben.

Merkmale

  • Evaluiert die Funktionen und das Betriebsverhalten der BTS3080EJ HITFET™-Schalter
  • Integrierte programmierbare Drucktaste
  • Diagnosefunktion
  • Arduino/XMC1100 Boot-Kit-kompatibel
  • Treibt eine ohmsche, kapazitive oder induktive Last von 12 V an
  • RoHS-konform
  • Versorgungsspannungsbereich: 6 V bis 31 V

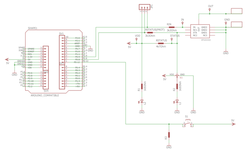
Schaltplan

Schaltplan - Infineon Technologies BTS3080EJ Demonstrationsboard
Veröffentlichungsdatum: 2019-12-10 | Aktualisiert: 2024-01-23