Infineon Technologies 650 V CoolSiC™-M1-Trench-Leistungs-MOSFETs
Die 650 V CoolSiC ™ -M1-Trench-Leistungs-MOSFETs von Infineon Technologies kombinieren die starken physikalischen Eigenschaften von Siliziumcarbid mit einzigartigen Funktionen, welche die Leistung, Robustheit und Benutzerfreundlichkeit des Bauelements erhöhen. Die CoolSiC-M1-MOSFETs basieren auf einem hochmodernen Trench-Halbleiterverfahren, das für die niedrigsten Applikationsverluste und die höchste Zuverlässigkeit im Betrieb optimiert ist. Diese Bauteile eignen sich für hohe Temperaturen und raue Betriebsabläufe und ermöglichen eine vereinfachte und kostengünstige Bereitstellung des höchsten Systemwirkungsgrads.Die CoolSiC-M1-MOSFETs werden in einem kompakten 3-Pin-/4-Pin-TO-247-Gehäuse angeboten und sind bleifrei, halogenfrei und RoHS-konform.
Merkmale
- Niedrige Kapazitäten
- Optimiertes Schaltverhalten bei höheren Strömen
- Robuste schnelle Kommutierungs-Bodydiode mit niedriger Sperrverzögerungsladung (Qrr)
- Hervorragende Gate-Oxid-Zuverlässigkeit
- Hervorragendes thermisches Verhalten
- Erhöhte Avalanche-Fähigkeit
- Funktioniert mit Standard-Treibern
- Hohe Leistungsfähigkeit, hohe Zuverlässigkeit und Benutzerfreundlichkeit
- Ermöglicht einen hohen Systemwirkungsgrad
- Reduziert die Systemkosten und Komplexität
- Ermöglicht eine kleinere Systemgröße
- Funktioniert in Topologien mit kontinuierlicher harter Kommutierung
- Geeignet für hohe Temperaturen und raue Betriebsbedingungen
- Ermöglicht bidirektionale Topologien
Applikationen
- Server
- Telekommunikation
- SNT
- Energiespeicherung und Batterie-Formatierung
- Solarenergiesysteme/Solar-PV-Wechselrichter
- USV
- EV-Ladeinfrastruktur
- Motorantriebe
- Verstärker der Klasse D
Videos
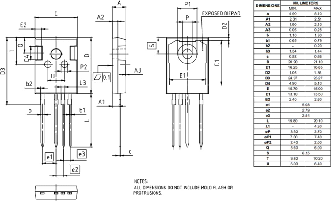
Gehäuseabmessungen (TO-247 3-Pin)
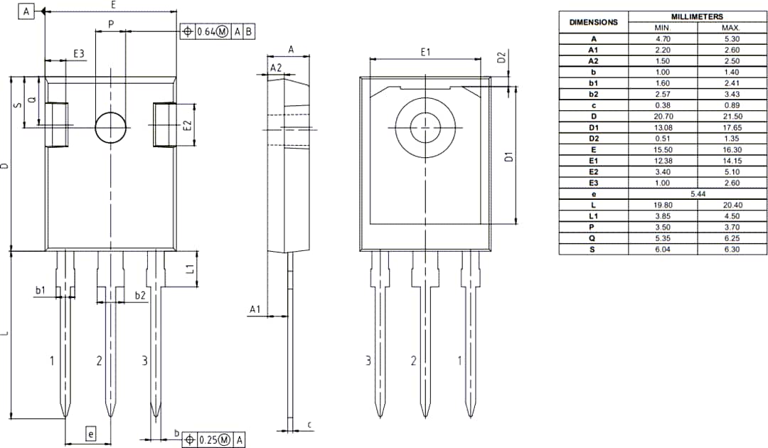
Gehäuseabmessungen (TO-247 4-Pin)
View Results ( 26 ) Page
| Teilnummer | Datenblatt | Verpackung/Gehäuse | Id - Drain-Gleichstrom | Rds On - Drain-Source-Widerstand | Qg - Gate-Ladung | Pd - Verlustleistung |
|---|---|---|---|---|---|---|
| IMBG65R057M1HXTMA1 | ![]() |
39 A | 74 mOhms | 28 nC | 161 W | |
| IMZA65R039M1HXKSA1 | ![]() |
TO-247-4 | 50 A | 50 mOhms | 41 nC | 176 W |
| IMBG65R163M1HXTMA1 | ![]() |
17 A | 217 mOhms | 27 nC | 85 W | |
| IMBG65R107M1HXTMA1 | ![]() |
24 A | 141 mOhms | 35 nC | 110 W | |
| IMZA65R107M1HXKSA1 | ![]() |
TO-247-4 | 20 A | 142 mOhms | 15 nC | 75 W |
| IMBG65R048M1HXTMA1 | ![]() |
45 A | 64 mOhms | 33 nC | 183 W | |
| IMBG65R039M1HXTMA1 | ![]() |
54 A | 51 mOhms | 41 nC | 211 W | |
| IMBG65R072M1HXTMA1 | ![]() |
33 A | 94 mOhms | 22 nC | 140 W | |
| IMBG65R260M1HXTMA1 | ![]() |
6 A | 346 mOhms | 22 nC | 65 W | |
| IMBG65R022M1HXTMA1 | ![]() |
64 A | 30 mOhms | 67 nC | 300 W |
Veröffentlichungsdatum: 2020-01-22
| Aktualisiert: 2024-09-23

