Infineon Technologies TRENCHSTOP™ 62 mm IGBT4-Module der C-Baureihe
Infineon TRENCHSTOP™ 62 mm IGBT4-Module der C-Baureihe sind auf eine hohe Leistungsfähigkeit und Zuverlässigkeit für verschiedene Leistungsapplikationen ausgelegt. Diese Module enthalten die fortschrittliche TRENCHSTOP™ IGBT4 -Technologie, um eine optimale elektrische Leistungsfähigkeit sowie einen optimalen Wirkungsgrad zu gewährleisten. Mit Nennspannungen und Nennströmen wie 1200V/450A für den FD450R12KE4 und 1700V/300A für den FD300R17KE4 eignen sich diese Module für anspruchsvolle Applikationen, wie z. B. Industrieantriebe, erneuerbare Energiesysteme und Netzteile. Die 62 mm Module der C-Baureihe verfügen über geringe Schaltverluste und eine hohe thermische Leistungsfähigkeit, wodurch sich die Bauteile hervorragend für frequenzgesteuerte Wechselrichterantriebe, Windenergiesysteme, Solarwechselrichter, unterbrechungsfreie Stromversorgungen (USV), Schweißgeräte und induktive Heizsysteme eignen.Diese Module sind mit einer soliden vernickelten Kupfer-Grundplatte und Schraubanschlüssen ausgestattet und bieten eine hohe mechanische Robustheit und Zuverlässigkeit. Das vorinstallierte Wärmeableitungsmaterial verbessert die Wärmeabfuhr und vereinfacht die Montage, während optimierte Schalteigenschaften elektromagnetische Störungen reduzieren und die Gesamtsystemleistung verbessern. Die TRENCHSTOP 62 mm IGBT4-Module der C-Baureihe von Infineon bieten eine hervorragende Lösung für die moderne Leistungselektronik sowie Flexibilität, Zuverlässigkeit und hohe Leistungsfähigkeit für eine große Auswahl an Applikationen.
Merkmale
- Niedrige Kollektor-Emitter-Sättigungsspannung (VCEsat) mit positivem Temperaturkoeffizienten
- Unschlagbare Robustheit
- 2,5 kVAC oder 4 kVAC (1 Minute) Isolierung
- Gehäuse mit CTI > 400
- Hohe Kriech- und Luftstrecken
- Vorinstallierte Wärmeableitungsmaterial
- Auf frequenzgesteuerte Treiber ausgelegt
- UL/CSA-Zertifizierung mit UL1557 E83336
- Überlastfestigkeit bis zu +175 °C max.
- Optimiertes Schaltverhalten
- Schraubanschluss
- RoHS-konform
Applikationen
- Industrieantriebe
- Erneuerbare Energiesysteme
- Frequenzgesteuerte Wechselrichterantriebe
- Windenergieanlagen
- Solar-Wechselrichter
- Unterbrechungsfreie Stromversorgungen (USV)
- Schweißausrüstung
- Induktive Heizsysteme
Technische Daten
- Maximale Kollektor-Emitter-Spannungsoptionen: 600 V, 1,2 kV oder 1,7 kV
- 300 A, 450 A oder 480 A Dauerkollektorstrom-Optionen bei +25 °C
- ±20 V Maximale Gate-Emitter-Spannung
- Gate-emitter-Ableitstrom-Optionen: 100 nA oder 400 nA
- 1,45 V bis 2,15 V Kollektor-Emitter-Sättigungsspannungsbereich
- -40 °C bis +150 °C Betriebstemperaturbereiche
- 106,4 mm x 61,4 mm x 30,5 mm Größe
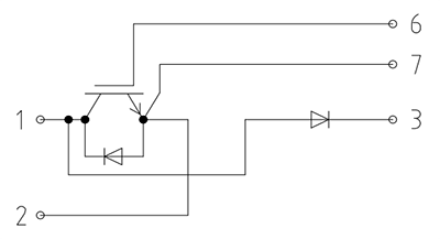
Schaltplan
Veröffentlichungsdatum: 2025-04-23
| Aktualisiert: 2025-05-11
