Infineon Technologies 2ED2410-EM MOSFET-Gate-Treiber
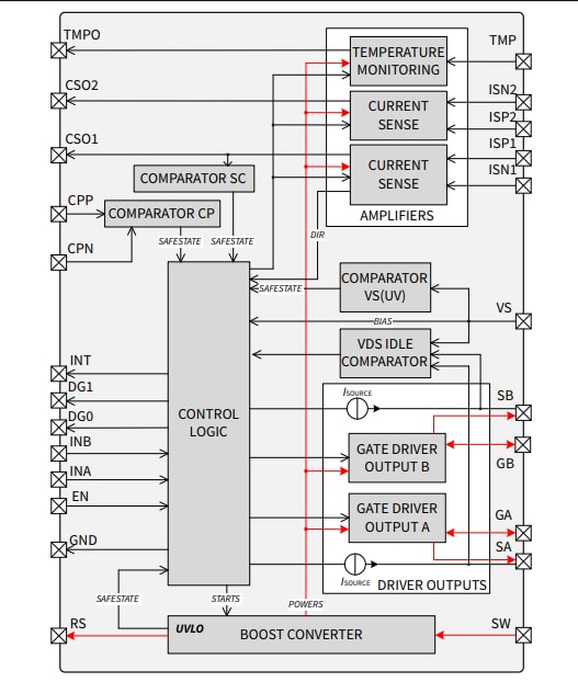
Der MOSFET-Gate-Treiber 2ED2410-EM von Infineon Technologies verfügt über zwei unabhängige Gate-Ausgänge für 12-V-/24-V-Fahrzeuganwendungen. Der MOSFET-Gate-Treiber 2ED2410-EM bietet Schutz für das Verbinden/Trennen von Lasten oder verschiedenen Stromversorgungen. Der integrierte Aufwärtswandler ermöglicht es, dass externe MOSFETs kontinuierlich eingeschaltet bleiben und auch bei Kaltstartbedingungen bis hinunter zu 3 V funktionieren. Der 2ED2410-EM verfügt über vier integrierte Komparatoren und drei analoge Messschnittstellen zu Schutzzwecken, wodurch flexible und vielseitige Lösungen für verschiedene E/E-Architekturanforderungen ermöglicht werden. Der Gate-Treiber 2ED2410-EM verfügt über ein Kanal-Bauteil mit zwei High-Side-Gate-Treiberausgängen, einem einstellbaren Überstrom-/Kurzschlussschutz und zwei bidirektionalen analogen High-Side-Strommessschnittstellen. Der Gate-Treiber 2ED2410-EM wird bei einem Eingangsspannungsbereich von 3 V bis 58 V, einer Einschalt-/Ausschalt-Laufzeitverzögerung von 4µs und einem Lagertemperaturbereich von -55°C bis 150°C betrieben. Zu den typischen Applikationen gehören ein Verbindungs-/Isolationsschalter zwischen Netzteilen, und der Gate-Treiber unterstützt eine zuverlässige Stromversorgung und -verteilung.Merkmale
- Zwei bidirektionale analoge High-Side-Strommessschnittstellen mit extern einstellbarer Verstärkung
- Kanalsteuerung und Diagnose über Pins
- Analoge Schnittstelle für externe Temperaturmessung
- Gate-Unterspannungssperre (UVLO)
- AEC-Q100-qualifiziert
- Einkanal-Bauteil mit zwei High-Side-Gate-Treiberausgängen
- Unterstützt Back-to-Back-MOSFET-Topologien (Common-Drain und Common-Source)
- PRO-SIL™ ISO 26262-bereit für die Unterstützung des Integrators bei der Evaluierung von Hardware-Elementen gemäß ISO 26262:2018 Abschnitt 8 bis 13
- Einstellbarer Überstromschutz sowie Kurzschluss-Sicherung
- Vielseitiger Komparator zur Implementierung von:
- Einstellbarer I-t-Drahtschutz
- Einstellbarer Über-/Unterspannungsschutz
- Anpassbarer Übertemperaturschutz
Technische Daten
- 3-Ω-Pull-down, 50-Ω-Pull-up für schnelles Ein-/Ausschalten
- Eingangsspannungsbereich: 3 V bis 58 V
- Ausgangsstrom (Quelle): 0,175 A
- Ausgangsstrom (Senke): 1,4 A
- Ein-/Ausschalt-Laufzeitverzögerung: 4 µs
- Sperrschicht-Betriebstemperaturbereich: -40 °C bis +150 °C
- Lagertemperaturbereich: -55 °C bis +150 °C
Applikationen
- Ausfallsichere Stromversorgung, die für Hochstromapplikationen ausgelegt ist
- Verbindungs-/Isolierschalter zwischen Stromversorgungen
- Zur Unterstützung einer zuverlässigen Stromversorgung und -verteilung ausgelegt
- Stromverteilerkasten
- DC/DC-Ausgangsschutzschalter
Blockdiagramm
Pin-Konfigurationsdiagramm
Weitere Ressourcen
Veröffentlichungsdatum: 2022-08-23
| Aktualisiert: 2023-11-03
