Infineon Technologies CYW20737 BLUETOOTH® Low Energy SoC
Das Cypress CYW20737 BLUETOOTH® Low Energy-SoC bietet einen Eingangswiderstand von 500 kΩ, einen Nennstrom von 1 mA und einen maximalen Eingangssignalbereich von 3,63 V. Das CYW20737 ist zur Unterstützung des gesamten Spektrums von Bluetooth Smart-Anwendungsfällen für Marktsegmente der Medizintechnik, Hausautomatisierung, Zubehör, Sensoren, Internet of Things und Wearables ausgelegt. Das Einzelchip-Bluetooth Low Energy-SoC ist ein monolithisches Bauelement, das in einem digitalen CMOS-Standardverfahren implementiert ist und eine minimale Anzahl externer Komponenten benötigt, um ein vollständig kompatibles Bluetooth-Gerät zu erstellen. Das CYW20737 ist in einem 32-Pin-32-QFN-Gehäuse von 5 × 5 mm sowie WLBGA-SIP- und Chip-Gehäusen verfügbar.Merkmale
- Allianz für kabelloses Funkleistungs-Laden (A4WP)
- Unterstützung für RSA-Verschlüsselung/-Entschlüsselung und Hauptaustausch-Mechanismen (bis zu 4 KBit)
- Unterstützung für x.509-Zertifikatsaustausch
- Unterstützung für NFC-Tag-basierte „Tap-to-Pair“
- Unterstützung für Bluetooth Smart-basiertes Audio
- Mit Bluetooth Low Energy (BLE) konform
- Infrarot-Modulator
- IR-Lernphase
- Unterstützt adaptive Frequenzsprünge
- Hervorragende Empfängerempfindlichkeit
- 10-Bit-Hilfs-ADC mit neun Analogkanälen
- On-Chip-Unterstützung für serielle Peripherieschnittstelle (Master- und Slave-Modi)
- Broadcom Serielle Kommunikationsschnittstelle (kompatibel mit Philips® I2C-Slaves)
- Programmierbare Ausgangsleistungssteuerung
- Integrierter ARM® Cortex™-M3-basierter Mikroprozessorkern
- Automatisierungsprofil
- Unterstützung für sichere OTA
- On-Chip-Einschalt-Reset (POR)
- Unterstützung für EEPROM und serielle Flash-Schnittstellen
- Integrierter Low-Dropout-Regler (LDO)
- Software-gesteuerte On-Chip-Leistungsmanagementeinheit
- Gehäuseausführung: 32-Pin-32-QFN-Gehäuse (5 × 5 mm)
- RoHS-konform
Applikationen
- Batteriestatus
- Blutdruckmessgeräte
- Find-Me-Funktionen
- Herzfrequenzmessgeräte
- Näherung
- Thermometer
- Waage
- Zeit
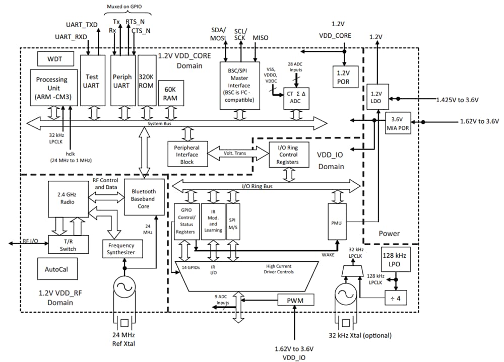
Blockdiagramm
Veröffentlichungsdatum: 2019-09-19
| Aktualisiert: 2024-01-30
