Infineon Technologies CYW20730 Eigenständiger Basisband-Prozessor
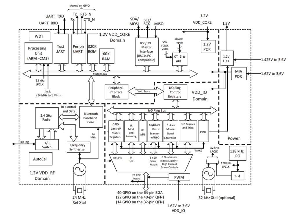
Der Cypress CYW20730 eigenständige Basisband-Prozessor verfügt über einen 3-Achsen-Quadratursignal-Decoder und einen 10-Bit-Hilfs-ADC mit 28 Analogkanälen. Der CYW20730 eignet sich ideal für drahtlose Eingabegeräteapplikationen wie Gamecontroller, Tastaturen, 3D-Brillen, Fernbedienungen, Vorrichtungen zur Gesteneingabe und Sensorgeräte. Die integrierte Firmware erfüllt die Anforderungen für die Spezifikationen des Bluetooth-Human-Interface-Device(HID)- und Bluetooth-Geräte-ID-Profils.Der CYW20730 Funk ist für einen geringen Stromverbrauch, niedrige Kosten und eine robuste Kommunikation für Applikationen ausgelegt, die im global verfügbaren unlizenzierten 2,4-GHz-ISM-Band arbeiten. Das Bauteil ist vollständig mit der Bluetooth-Funk-Spezifikation 3.0 kompatibel. Der Einzelchip-Bluetooth-Transceiver ist ein monolithisches Bauelement, das in einem digitalen CMOS-Standardverfahren implementiert ist und nur minimale externe Komponenten benötigt, um ein vollständig kompatibles Bluetooth-Gerät zu erstellen. Der CYW20730 ist in drei Gehäuseoptionen verfügbar: ein 32-Pin-QFN von 5×5 mm, ein 40-Pin-QFN von 6×6 mm und ein 64-Pin-BGA von 7×7 mm.
Merkmale
- On-Chip-Unterstützung für gängige Tastatur- und Maus-Schnittstellen macht den externen Prozessor überflüssig
- Programmierbare Schlüsselscan-Matrix-Schnittstelle, bis zu 8×20 Schlüsselscan-Matrix
- 3-Achsen-Quadratursignal-Decoder
- Shutter-Steuerung für 3D-Brillen
- Infrarot-Modulator
- IR-Lernphase
- Triacsteuerung
- Ausgelöste schnelle Broadcom-Verbindung
- Unterstützt adaptive Frequenzsprünge
- Hervorragende Empfängerempfindlichkeit
- Bluetooth-Spezifikation 3.0-kompatibel, einschließlich verbesserter Leistungssteuerung (Unicast-verbindungslose Daten)
- Konform mit Bluetooth HID-Profil Version 1.0
- Konform mit Bluetooth Geräte-ID-Profil Version 1.3
- Konform mit Bluetooth AVRCP-CT Profilversion 1.3
- 10-Bit-Hilfs-ADC mit 28 Analogkanälen
- On-Chip-Unterstützung für serielle Peripherieschnittstelle (Master- und Slave-Modi)
- Broadcom serielle Kommunikationsschnittstelle (BSC) (kompatibel mit Philips® (jetzt NXP) I2C-Slaves)
- Programmierbare Ausgangsleistungssteuerung erfüllt die Anforderungen der Klasse 2 oder Klasse 3
- Unterstützung von Betrieb der Klasse 1 mit externem PA- und T/R-Schalter
- Integrierter ARM Cortex™-M3-basierter Mikroprozessorkern
- On-Chip-Einschalt-Reset (POR)
- Unterstützung für EEPROM und serielle Flash-Schnittstellen
- Integrierter Low-Dropout-Regler (LDO)
- Software-gesteuerte On-Chip-Leistungsmanagementeinheit
- Drei Gehäusetypen sind verfügbar: 32-Pin-QFN-Gehäuse (5×5 mm); 40-Pin-QFN-Gehäuse (6×6 mm); 64-Pin-BGA-Gehäuse (7×7 mm); RoHS-konform
Applikationen
- Drahtlose Zeigegeräte: Mäuse, Trackballs, Gestensteuerungen
- Drahtlostastaturen
- 3D-Brillen
- Fernsteuerungen
- Gamecontroller
- Point-of-Sale-Eingabegeräte (POS)
- Fernbedienungssensoren
- Heimautomatisierung
- Persönliche Gesundheits- und Fitnessüberwachung
Funktionales Blockdiagramm
Veröffentlichungsdatum: 2019-09-19
| Aktualisiert: 2024-01-30
