IEI Technology HYPER-ASL PICO-ITX Single Board Computers (SBCs)
IEI HYPER-ASL PICO-ITX Single-Board Computers (SBCs) feature Intel® Alder Lake-N/Amston Lake onboard SoCs, with 8GB LPDDR5 memory on board by default. The SBCs include HDMI, LVDS, M.2 M key, M.2 A key, USB 3.2, iSATA 6GB/s, COM, and are RoHS-compliant.The HYPER-ASL-N2C-R10 PICO-ITX SBC includes an Intel Alder Lake-N N97 onboard SoC, 8GB LPDDR5 memory on board by default, with HDMI, LVDS, Dual LAN, M.2 M key, M.2 A key, USB 3.2, iSATA, COM, and is RoHS-compliant.
The HYPER-ASL-R3C-R10 PICO-ITX SBC offers an Intel Atom® x7433RE onboard SoC, 8GB LPDDR5 memory on board by default, with HDMI, LVDS, Dual LAN, M.2 M key, M.2 A key, USB 3.2, iSATA, COM, and is RoHS-compliant.
The IEI HYPER-ASL-R4C-R10 PICO-ITX SBC features an Intel Atom x7835RE onboard SoC, 8GB LPDDR5 memory on board by default, with HDMI, LVDS, Dual LAN, M.2 M key, M.2 A key, USB 3.2, iSATA, COM, and is RoHS-compliant.
Features
- Onboard LPDDR5 8GB pre-installed (system max.16GB)
- High-speed I/O interface for USB 3.2 Gen 2, SATA 6Gb/s
- Support 2x 2.5GbE with i226V
- Double displays with 1x HDMI 2.0 and 1x LVDS
- Support M.2 A key and M.2 M key
Specification Chart
Kit Contents
- 1x HYPER-ASL SBC with heat spreader
- 1x QIG
- 1x iSATA cable
- 1x power cable
Overview
Block Diagram
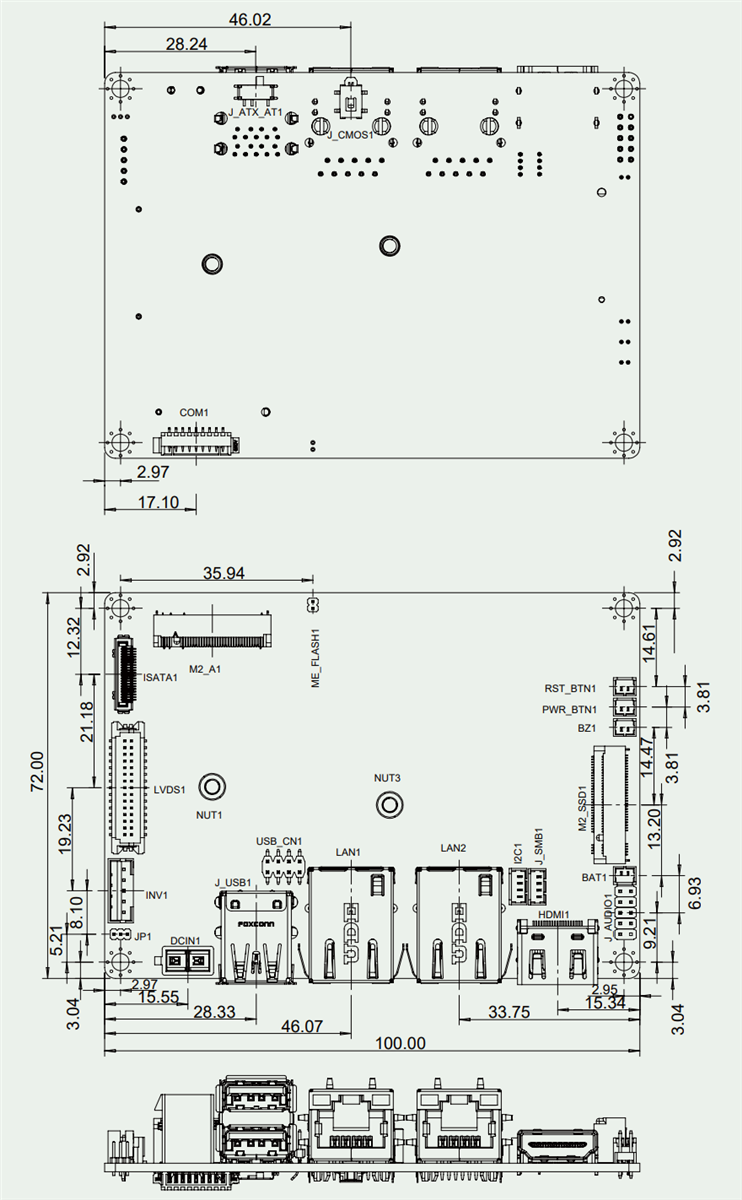
Dimensions mm
Veröffentlichungsdatum: 2025-07-28
| Aktualisiert: 2025-08-14
