HALO Electronics TG10-DA Mini Shielded Digital Audio Transformers
HALO Electronics TG10-DA Miniature Shielded Digital Audio Transformers provide a compact package solution to reduce the adverse effects of electromagnetic interference (EMI). The TG10-DA components offer a frequency bandwidth of 10kHz to 200MHz, low Cw/w (inter-winding capacitance), and an integrated shield for enhanced CMR performance. These devices can also produce 1500Vrms galvanic isolation between primary and secondary windings that protect expensive audio equipment from common-mode transient voltage, preventing potential damage to the IC. The TG10-DA series is ideal for use with Cirrus Logic digital audio transceivers.Features
- Designed for Cirrus Logic™ Digital Audio Transceivers
- Robust patented open frame construction
- Excellent performance for professional digital/audio AES/EBU applications
- UL/EN60950 and DEMKO recognized
- 100% Compliance Testing
- Lead-free and RoHS compliant
Applications
- Microphone pre-amps and amplifiers
- Microphone splitters
- CD-R, DAT, MD, DVD, and VTR equipment
- Mixing consoles
- Digital audio transmission equipment
- Quality D/A and A/D audio converters
- Effect processors
- Computer audio systems
- High-end headphone amplifiers
- AES3 I/O filtering
Specifications
- -40°C to +85°C temperature range
- 1:1 ±2% turns ratio
- 10kHz to 200MHz nominal bandwidth
- 500Vrms to 1500Vrms isolation
- 750µH inductance rating
- 1.5kV isolation voltage
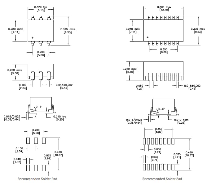
Package Layouts
View Results ( 4 ) Page
| Teilnummer | Datenblatt | Länge | Breite | Höhe | Anzahl der Kanäle | Abschirmung |
|---|---|---|---|---|---|---|
| TG10-DA1NSLF | ![]() |
8.13 mm | 7.11 mm | 5.08 mm | Single | Shielded |
| TG10-DA2N5LF | ![]() |
12.7 mm | 7.11 mm | 6.35 mm | Dual | Shielded |
| TG10-DA1NSLFTR | ![]() |
8.13 mm | 7.11 mm | 5.08 mm | Shielded | |
| TG10-DA2N5LFTR | ![]() |
12.7 mm | 7.11 mm | 6.35 mm | Shielded |
Veröffentlichungsdatum: 2016-08-01
| Aktualisiert: 2022-03-11

