Microchip Technology MPLAB® PICkit™ 5 In-Circuit-Debugger/Programmierer
Der MPLAB® PICkit™ 5 In-Circuit-Debugger/Programmierer von Microchip Technology ermöglicht schnelles Prototyping und portable, produktionsbereite Programmierung für alle Bauelemente von Microchip einschließlich PIC® -, dsPIC® -, AVR® - und SAM(Arm®)-Bauteilen. In Verbindung mit dem MPLAB X Integrated Development Environment (IDE) bietet dieses Kit eine leistungsstarke, benutzerfreundliche grafische Nutzerschnittstelle (GUI) zum Debuggen und Programmieren. Der MPLAB PICkit 5 kann auch als eigenständiger Debugger/Programmierer mit der mobilen App MPLAB Programmer-To-Go (PTG) über eine BLUETOOTH® -Verbindung verwendet werden. Dieser vielseitige Programmierbegleiter ermöglicht das Prototyping und Debuggen von Benutzerlösungen. Stecken Sie die Lösung aus und setzen Sie sie dann vor Ort ein.Der MPLAB PICkit 5 unterstützt verschiedene Schnittstellen wie Vierdraht-JTAG oder Serial Wire Debug (SWD) mit Streaming UART Virtual Comm Port (VCP) und kann mit dem Debugger-Adapterboard (AC102015) Standardsteckverbinder für JTAG-, SWD-, ICSP- und AVR-Protokolle verwenden. Mit der einzigartigen Programmer-to-go-Funktion kann der PICkit 5 auch über das Zielboard mit Strom versorgt werden und ein Standardbild programmieren, indem einfach die Taste unter dem Logo betätigt wird. Benutzer können sich auch über Bluetooth mit der mobilen App MPLAB PTG verbinden, die im Tool installierte Micro-SDTM-Karte nach einem anderen Bild durchsuchen und die Programmierung des Zielboards direkt von der App aus starten.
Merkmale
- Verbindung mit einem Computer über ein USB Type-C™-Kabel
- Stromversorgung über USB oder das Zielgerät und kann optional das Ziel mit Strom versorgen (bis zu 150 mA)
- 8-poliger SIL-Programmier-Steckverbinder mit der Möglichkeit, verschiedene Schnittstellen zu nutzen
- Programmiert Bauteile mit MPLAB X IDE oder der MPLAB IPE
- Unterstützt
- Programmer-To-Go (PTG) zur Programmierung von Geräten vor Ort
- MPLAB PTG iOS/Android-App zur Auswahl und Verwaltung von PTG-Programmbildern über BLUETOOTH
- Virtual Comm Port (VCOM)
- Mehrere Hardware-/Software-Breakpoints, Stoppuhr und Quellcode-Datei-Debugging
- Neue Bauteile/Funktionen durch neue/aktualisierte Pakete in MPLAB X IDE oder MPLAB IPE
- Debuggt
- Benutzer-Applikationen auf der eigenen Hardware der Benutzer in Echtzeit
- Bei voller Gerätebetriebsgeschwindigkeit
- Setzt Breakpoints basierend auf internen Ereignissen
- Überwacht interne Dateiregister
- Konfiguriert Pin-Treiber
- Zeigt den Debugger-Status über die Leuchtleiste an
- 0 bis +70 °C Betriebstemperaturbereich
- Leistung/Geschwindigkeit
- Echtzeit-Betriebssystem (RTOS)
- Beim Umschalten von Bauteilen kommt es zu keinen Verzögerungen beim Herunterladen der Firmware
- 32-Bit-MCU mit einer Taktfrequenz von 300 MHz
- Sicherheit
- Erhalten Sie eine Rückmeldung vom Debugger, wenn die externe Stromversorgung für das Ziel benötigt wird
- Unterstützt Ziel-Versorgungsspannungen
- Eintritt in den Niederspannungs-Programmmodus von 1,2 V bis 5,0 V
- Eintritt in den Hochspannungs-Programmmodus von 1,8 V bis 5,0 V
- Zum Schutz vor Zielstromstößen werden den Sondentreibern Schutzschaltungen hinzugefügt
- VDD - und VPP -Spannungswächter schützen gegen Überspannungsbedingungen/alle Leitungen verfügen über einen Überstromschutz
- Programmier-/Debugging-Pins mit einem programmierbaren Bereich von Widerstandswerten plus Richtung (Pull-up, Pull-down oder nicht vorhanden)
- Gesteuerte Programmiergeschwindigkeit bietet Flexibilität zur Überwindung von Designproblemen des Zielboards
- CE- und RoHS-konform
Lieferumfang Kit
- Rechteckige MPLAB PICkit5-Einheit in einem robusten, schwarzen Kunststoffgehäuse mit einer gebürsteten Metallabdeckung, die mit einem Leuchtstreifen akzentuiert ist
- USB-Typ-C-Steckverbinder
- 8-Pin Single-Inline-Steckverbinder (SIL)
- Micro-SD-Kartensteckplatz
- Notfall-Wiederherstellungstaste
- Lanyard-Steckverbinder
- USB-Typ-C-Kabel zur Bereitstellung von:
- Kommunikation zwischen dem Debugger und einem Computer
- Stromversorgung des Debuggers
- Bluetooth 5,0-zertifiziertes Modul für die Kommunikation zwischen der MPLAB PTG-Applikation und dem MPLAB PICkit 5
- 2x MPLAB PICkit 5 In-Circuit-Debugger/Programmierer - Aufkleber
Erforderliche Ausrüstung
- Verfügbarer USB 2.0-Anschluss
- Microsoft Windows® 7 oder höher, MacOS® oder Linux®
- MPLAB X IDE Version 6.10 oder höher
Videos
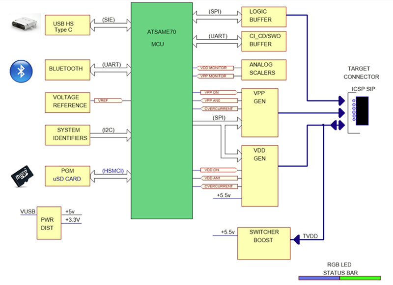
Blockdiagramm
Weitere Ressourcen
Veröffentlichungsdatum: 2023-05-31
| Aktualisiert: 2025-08-06
