ROHM Semiconductor RB-D62Q2702TB48 Referenzboard
Das ROHM Semiconductor RB-D62Q2702TB48 Referenzboard ist eine Entwicklungsplattform, die vom LAPIS ML62Q2702 CMOS-16-Bit-RISC-Mikrocontroller angetrieben wird. Dieses Board ist für eine große Auswahl von Embedded-Systemapplikationen ausgelegt und eignet sich hervorragend für Automotive-Lösungen, wie z. B. Hauptwechselrichter, On-Board-Ladegeräte und Batteriemanagementsysteme. Aufgrund des stromsparenden Betriebs, der effizienten Verarbeitungsfunktionen und der integrierten Peripherie eignet sich das Board hervorragend für die Industrieautomatisierung und die intelligente Unterhaltungselektronik. Der RB-D62Q2702TB48 ist vollständig mit den fortschrittlichen Development Tools von ROHM kompatibel und optimiert das Prototyping, das Testen und die Optimierung und ermöglicht Ingenieuren die Erstellung von innovativen, zuverlässigen und energieeffizienten Designs, die auf moderne technologische Anforderungen zugeschnitten sind.Merkmale
- Wird mit dem LAPIS ML62Q2702 CMOS-16-Bit-RISC-MCU in einem 48-Pin-TQFP geliefert
- Mit dem verbundenen Steckverbinder auf EASE1000 V2 montiert
- Durchsteckmontage für den Anschluss der Pins von LSI an externe Peripherie-Boards
- Wählbare Stromversorgung, die vom On-Chip-Emulator EASE1000 V2 oder CN1_3pin/CN2_2pin versorgt wird
- Montierter 32.768KHz-Quarz
- Montierte LEDs (P20, P21, P22)
- Fußmuster mit Bauelemente für Analog-Digital-Wandler mit sukzessiver Approximation ist verfügbar (P30, P31, P32, P33)
- Geringer Stromverbrauch
- Interner Flash-Speicher und RAM
- Flexible I/O- und Kommunikationsschnittstellen
- Echtzeitverarbeitung
- Betriebsversorgungsbereich: 1,8 V bis 5,5 V
- Kompakter Formfaktor, Abmessungen: 56 mm x 94 mm x 15 mm (B x T x H)
Applikationen
- Automobilsysteme
- Industrie-Ausstattung
- Unterhaltungselektronik
Übersicht
Leistungsschaltung
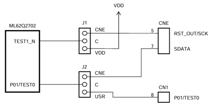
EASE1000 V2-Schnittstelle
PCB-Layout
Veröffentlichungsdatum: 2024-12-30
| Aktualisiert: 2025-01-07
