ROHM Semiconductor RB-D62Q2534TB48 Referenzboard

Das ROHM Semiconductor RB-D62Q2534TB48 Referenzboard ist eine vielseitige Entwicklungsplattform, die vom LAPIS ML62Q2534 CMOS-16-Bit-RISC-Mikrocontroller angetrieben wird. Dieses Board ist für ein effizientes Prototyping und Evaluierung ausgelegt und eignet sich hervorragend für Applikationen, wie z. B. Automotive-Systeme, Hauptwechselrichter, On-Board-Ladegeräte und Batteriemanagementsysteme. Aufgrund der robusten Verarbeitungsfähigkeiten, des geringen Stromverbrauchs und der integrierten Peripherie eignet sich das Board hervorragend für die Industrieautomatisierung und intelligente Unterhaltungselektronik. Der RB-D62Q2534TB48 ist mit den fortschrittlichen Development Tools von ROHM kompatibel und optimiert den Designprozess und ermöglicht Ingenieuren, innovative, energieeffiziente und zuverlässige Lösungen für moderne Embedded-Systeme zu erstellen.

Merkmale

  • Wird mit dem LAPIS ML62Q2534 CMOS 16-Bit-RISC-MCU, 48-Pin-TQFP geliefert
  • Mit dem verbundenen Steckverbinder auf EASE1000 V2 montiert
  • Durchsteckmontage für den Anschluss der Pins von LSI an externe Peripherie-Boards
  • Wählbare Stromversorgung, die vom On-Chip-Emulator EASE1000 V2 oder CN1_3pin versorgt wird
  • Montierter 32.768KHz-Quarz
  • Montierte LEDs (P20, P21, P22)
  • Fußmuster mit Bauelemente für Analog-Digital-Wandler mit sukzessiver Approximation ist verfügbar (P30, P31, P32, P33)
  • Geringer Stromverbrauch
  • Interner Flash-Speicher und RAM
  • Flexible I/O- und Kommunikationsschnittstellen
  • Echtzeitverarbeitung
  • Betriebsversorgungsbereich: 1,8 V bis 5,5 V
  • Kompakter Formfaktor, Abmessungen: 56 mm x 94 mm x 15 mm (B x T x H)

Applikationen

  • Automobilsysteme
  • Industrie-Ausstattung
  • Unterhaltungselektronik

Übersicht

Schaltungsanordnung - ROHM Semiconductor RB-D62Q2534TB48 Referenzboard

Leistungsschaltung

Schaltungsanordnung - ROHM Semiconductor RB-D62Q2534TB48 Referenzboard

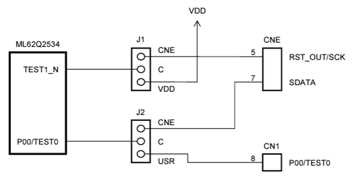
EASE1000 V2-Schnittstelle

Schaltungsanordnung - ROHM Semiconductor RB-D62Q2534TB48 Referenzboard

PCB-Layout

Technische Zeichnung - ROHM Semiconductor RB-D62Q2534TB48 Referenzboard
Veröffentlichungsdatum: 2024-12-30 | Aktualisiert: 2025-01-07