ROHM Semiconductor RB-D62Q2502TB32 Referenzboard
Das ROHM Semiconductor RB-D62Q2502TB32 Referenzboard ist eine Entwicklungsplattform, die auf dem LAPIS ML62Q2502 CMOS-16-Bit-RISC-Mikrocontroller basiert und für eine große Auswahl von Embedded-Applikationen ausgelegt ist. Der ML62Q2502 MCU basiert auf dem nX-U16/100 Core und bietet eine effiziente Verarbeitung, einen geringen Stromverbrauch und eine vielseitige Peripherie, wodurch er sich hervorragend für das Internet of Things (IoT), Unterhaltungselektronik und Industriesysteme eignet. Das Board bietet einen bequemen Zugriff auf die MCUs, GPIOs und Peripherie, wodurch ein schnelles Prototyping und Testen ermöglicht wird.Mit Unterstützung für die LEXIDE-U16 Entwicklungsumgebung von ROHM können Entwickler Applikationen einfach schreiben, debuggen und optimieren. Das RB-D62Q2502TB32 ist ein ideales Tool für Ingenieure, die innovative Lösungen in Smart-Haushaltsgeräten, Automotive-Systemen, medizinischen Geräten und vieles mehr entwickeln möchten.
Merkmale
- Wird mit dem LAPIS ML62Q2502 CMOS 16-Bit-RISC-MCU im 32-Pin-TQFP geliefert
- Mit dem verbundenen Steckverbinder auf EASE1000 V2 montiert
- Durchsteckmontage für den Anschluss der Pins von LSI an externe Peripherie-Boards
- Wählbare Stromversorgung, die vom On-Chip-Emulator EASE1000 V2 oder CN1_3pin versorgt wird
- Montierter 32.768KHz-Quarz
- Montierte LEDs (P20, P21, P22)
- Fußmuster mit Bauelemente für Analog-Digital-Wandler mit sukzessiver Approximation ist verfügbar (P30, P31, P32, P33)
- Geringer Stromverbrauch
- Interner Flash-Speicher und RAM
- Flexible I/O- und Kommunikationsschnittstellen
- Echtzeitverarbeitung
- Betriebsversorgungsbereich: 1,8 V bis 5,5 V
- Kompakter Formfaktor, Abmessungen: 56 mm x 94 mm x 15 mm (B x T x H)
Applikationen
- Haushaltsgeräte
- Industrie-Ausstattung
- Automobilsysteme
- Medizinische Geräte
- Unterhaltungselektronik
- Internet of Things (IoT) und Smart-Systeme
Übersicht
Leistungsschaltung
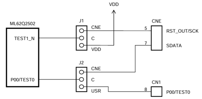
EASE1000 V2-Schnittstelle
PCB-Layout
Veröffentlichungsdatum: 2024-12-30
| Aktualisiert: 2025-01-07
