Texas Instruments TIEVM-ARC-AFE Evaluierungsmodul
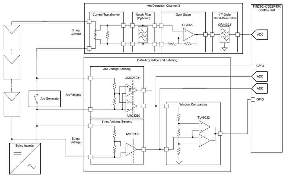
Das Evaluierungsmodul TIEVM-ARC-AFE von Texas Instruments verfügt über ein analoges Frontend für die DC-Lichtbogenerkennung in Solaranwendungen, das auf künstlicher Intelligenz (AI) basiert. DC-Bogenbildung erzeugt ein hochfrequentes Rauschen auf dem DC-Strangstrom. Die Daten werden empfangen und in ein eingebettetes KI-Modell eingespeist, das auf die Erkennung von Lichtbögen trainiert ist, um die Lichtbogenhäufigkeit festzustellen. Im Vergleich zu herkömmlichen Verfahren zur Lichtbogenerkennung zeichnet sich diese Funktion durch eine höhere Genauigkeit bei geringerem Rechenaufwand aus. Zusätzlich zur Signalkette für die Lichtbogenerkennung bietet diese Struktur Funktionen zum Sammeln und Kennzeichnen von Lichtbogendaten für das Training des integrierten KI-Modells.Diese Hardware kann mit TMDSCNCD28P55X, der Steuerkarten von C2000™ F28P55x Geräten und anderen C2000-Steuerkarten mit 180-poligen Anschluss verwendet werden. Es ist Teil einer KI-basierten Toolchain zur Lichtbogenerkennung, die verschiedene Softwaretools zur Erfassung von Lichtbogendaten, zum Training eines eingebetteten KI-Modells und zur Validierung des Systems umfasst.
Das TIEVM-ARC-AFE von TI ist die bestellbare Version des Referenzdesigns TIDA-010955.
Merkmale
- Analoges 4-Kanal-Frontend für AI-basierte Lichtbogenerkennung
- Konfigurierbares analoges Frontend mit Bandpass- und Notch-Filter
- Eingänge zur Messung der Stringspannung und der Lichtbogenlücke für die Erfassung von Trainingsdaten
- Automatische Beschriftung von Schaltkreisen zur Erzeugung beschrifteter Lichtbogen-Daten
- Funktioniert mit TMDSCNCD28P55X, der Steuerkarten von C2000 F28P55x Geräten sowie anderen C2000-Steuerkarten mit 180-poligen Anschluss
- Ausgewählte eingebettete KI-Modelle für einen schnellen Einstieg in die KI-basierte Lichtbogenerkennung
Applikationen
- Lichtbogenschutz in Solaranwendungen
- String-Wechselrichter
- Zentraler Wechselrichter
Schaltplan Strommessschaltung
Testaufbau
Blockdiagramm Lichtbogentestaufbau
Veröffentlichungsdatum: 2025-02-19
| Aktualisiert: 2025-03-05
