Analog Devices Inc. EV-ADF4378SD1Z Evaluierungskit

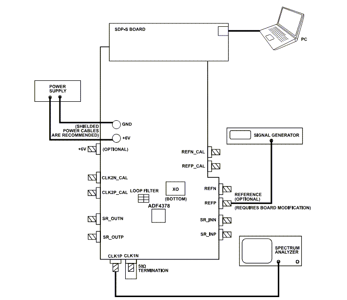
Das Analog Devices EV-ADF4378SD1Z Evaluierungskit ermöglicht Benutzern die Evaluierung des ADF4378 Frequenzsynthesizers mit einem integrierten spannungsgesteuerten Oszillator (VCO) für Phasenregelschleifen (PLLs). Das EV-ADF4378SD1Z enthält den ADF4378 Frequenzsynthesizer mit integriertem VCO, eine USB-Schnittstelle, Stromversorgungs-Steckverbinder, Ausbreitungsverzögerungs-Kalibrierpfade, einen On-Board-Referenzoszillator und Subminiatur-SMA-Steckverbinder (Version A). Die Ausgänge des Kits sind mit 50-Ω-Übertragungsleitungen AC-gekoppelt und eignen sich hervorragend für die Ausgänge zur Ansteuerung von Instrumenten mit einer Impedanz von 50 Ω. Das EV-ADF4378SD1Z benötigt ein SDP-S-Controllerboard (nicht im Lieferumfang des Kits enthalten). Das SDP-S bietet eine Softwareprogrammierung des EV-ADF4378SD1Z von ADI mit ACE-Software.

Merkmale

  • Eigenständiges Board, einschließlich ADF4378 Frequenzsynthesizer mit integriertem VCO, Schleifenfilter, USB-Schnittstelle, On-Board-Referenzoszillator, Ausbreitungsverzögerungs-Kalibrierpfade und Spannungsregler
  • Windows®-basierte Software ermöglicht die Steuerung der Synthesizer-Funktionen von einem PC
  • Wird extern mit 6 V betrieben

Erforderliche Ausrüstung

  • Windows-basierter PC mit USB-Anschluss für die Evaluierungssoftware
  • Nur serielle Systemdemonstrationsplattform (SDP-S) EVAL-SDPCS1Z Controllerboard
  • Netzteil (6 V)
  • 50-Ω-Anschlüsse
  • Spektrumanalysator oder Phasenrauschanalysator, Oszilloskop oder digitaler Kommunikationsanalysator (DCA)
  • Rauscharme REFIN-Quelle (optional)
  • SYSREF-Taktgeber

Software

Einstellung - Diagramm

Applikations-Schaltungsdiagramm - Analog Devices Inc. EV-ADF4378SD1Z Evaluierungskit

Layout

Analog Devices Inc. EV-ADF4378SD1Z Evaluierungskit
Veröffentlichungsdatum: 2024-05-07 | Aktualisiert: 2024-06-24