Minebea Compact Outer Rotor BLDC Motors
Minebea Compact Outer Rotor BLDC motors feature high performance in a compact package. Contrary to the design of the inner rotor motors, outer rotor motors are designed around an exterior moving magnet. This design features continuous rotation performance across the operating speed range for constant torque application. The Minebea BKL7 is a three-phase outer rotor type DC brushless motor, and the BLIM5C01CH3 is a three-phase twelve-pole external rotor type DC brushless motor. These compact outer rotor BLDC motors feature high performance in a compact package, standard sleeve bearing, optional ball bearing, and gearboxes. The compact outer rotor BLDC motors operate at a 12V voltage rating. These compact outer rotor BLDC motors are ideally used in white goods, lidar, and medical pumps/gas pumps.Features
- BKL7:
- Bearing - Can be selected for oil retaining bearing or ball bearing
- Connection - It corresponds to request
- Detent torque - It is possible to adjust the detent torque upon request
- Circuit - Can respond to the mounting of the drive IC
- Shaft
- It is possible to respond to the change of length, the shape of the D-cut, and the addition of the gear
- Shaft output direction can be selected up and down
- Coil terminal
- Input and output of hall sensor or hall IC
- Three-phase outer rotor type DC brushless motor
- BLIM5:
- Driver IC - 1 chip IC is mounted
- Connection:
- 5 connector pins
- JST: S5B-PH-K
- Interfaces - Five terminals
- Three-phase twelve poles outer rotor type DC brushless motor
- High performance in a compact package
- Standard sleeve bearing and optional ball bearing
- Driver electronics available with speed control and positional feedback
- Gearboxes available
Specifications
- 12V voltage rating
- BLIM5 (high speed)
- 10V to 28V power supply range
- <2Arms continuous operation range
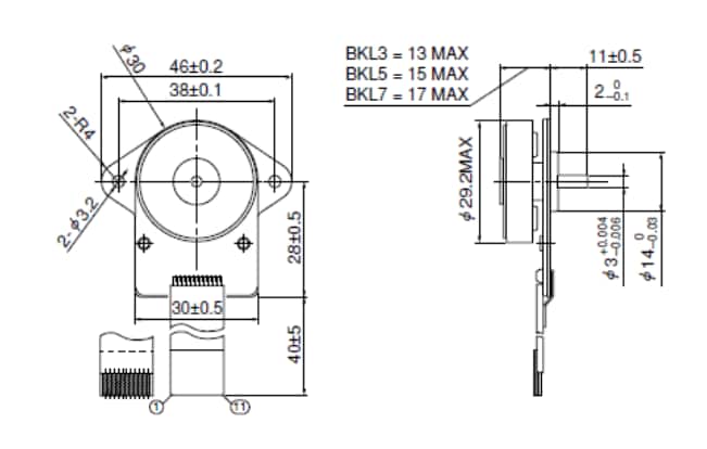
- BKL7
- 17mm length
- 4.8W maximum output power
Applications
- Suction motor for vacuum cleaners
- Lidar
- Medical pumps/gas pumps
- White goods
Dimension Diagram - BLIM5 (High Speed)
Dimension Diagram - BKL7
Additional Resources
View Results ( 2 ) Page
| Teilnummer | Beschreibung | Serie | Standardpackungsmenge | Produkt | Nennspannung | Produkt-Typ | Nulllastdrehzahl | Typ | Art des Motorlaufwerks | Länge |
|---|---|---|---|---|---|---|---|---|---|---|
| BKL7 | AC-, DC- und Servomotoren DC Brushless Motor, 3-Phase, Outer Rotor Type | BKL | 120 | DC Motors | 24 V | AC, DC & Servo Motors | 3800 RPM | 3 Phase Outer Rotor | DC Brushless Motor | 17 mm |
| BML5C01CH3 | AC-, DC- und Servomotoren DC Brushless Motor, 3-Phase, 12 Pole, Outer Rotor Type | BML | 150 | DC Motors | AC, DC & Servo Motors | 24000 RPM | DC Brushless Motor | 12.9 mm |
Veröffentlichungsdatum: 2022-09-06
| Aktualisiert: 2025-08-06
