E-Switch SS Sub-Miniature Snap Action Switches
E-Switch SS Sub-Miniature Snap Action Switches are designed for high-reliability applications. These switches have an operating life of up to 1 million cycles. The switches are ideal for applications including appliances, timing controls, vending machines, gaming, and industrial controls. These switches come in a subminiature package size. E-Switch SS Sub-Miniature Snap Action Switches applications include appliances, timing controls, vending machines, gaming, and industrial controlsFeatures
- Operating life up to 1 million cycles
- Subminiature package size
- 500VDC dielectric strength
- -25°C to +75°C operating temperature range
- Designed for higher-reliability applications
Applications
- Appliances
- Timing controls
- Vending machines
- Gaming
- Industrial controls
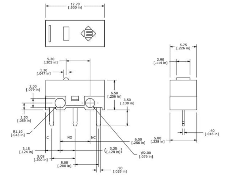
Dimensions
Videos
View Results ( 50 ) Page
| Teilnummer | Nennstrom | Nennspannung AC | Betätigungskraft | Antrieb |
|---|---|---|---|---|
| SS0750300F130V1A | 3 A | 125 VAC | 130 gf | Plunger, Pin |
| SS0750301F015V1A | 3 A | 125 VAC | 15 gf | Lever |
| SS0750301F020S1A | 3 A | 125 VAC | 20 gf | Lever |
| SS0750301F040P1A | 3 A | 125 VAC | 40 gf | Lever |
| SS0750300F070P1A | 1.5 A, 3 A | 125 VAC | 70 gf | Plunger, Pin |
| SS0750300F130P1A | 1.5 A, 3 A | 125 VAC | 130 gf | Plunger, Pin |
| SS0750301F020P1A | 3 A | 125 VAC | 20 gf | Lever |
| SS0750301F040V1A | 1.5 A, 3 A | 125 VAC | 40 gf | Lever |
| SS0750302F035S1A | 3 A | 125 VAC | 35 gf | Lever |
| SS075Q103F050P1A | 100 mA | 125 VAC | 50 gf | Lever |
Veröffentlichungsdatum: 2008-05-15
| Aktualisiert: 2024-07-15
