e-peas AEM13920 Ultra-Efficient Energy Manager PMIC
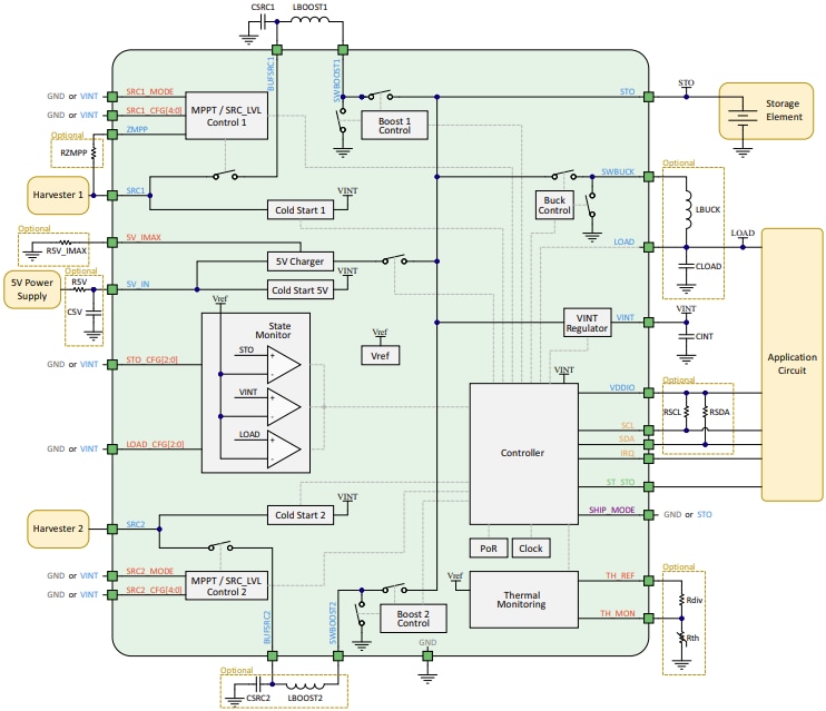
e-peas AEM13920 Ultra-Efficient Dual-Source Energy Manager is a fully integrated and compact Power Management Circuit (PMIC). This device extracts DC power from two harvesting sources to store energy in a rechargeable battery and supply an application circuit. The AEM13920 energy manager offers a ratio/constant voltage regulation, regulated buck output, and a 5V CC/CV charger. This energy manager allows an external input of 5V to extend the battery lifetime and eliminate the primary energy storage in an extensive range of applications. Typical applications include smart homes, industrial sensors, smart buildings, retail, edge IoT, and PC accessories.The AEM13920 energy manager supports various rechargeable batteries (LiC, Li-ion, LiPo, and Li-ceramic pouch) and system configuration by GPIO or I²C communication. The device turns off charging and discharging the battery during shipment. The AEM13920 energy manager includes a 90% efficiency buck regulator, 0.6V and 2.5V selectable output voltage range, and up to 100mA output current. This device independently protects against over-temperature and under-temperature during charging and discharging.
Features
- Dual sources inputs:
- Optimized boost operation for each source
- Efficiency above 90% on each source
- Harvests from 120mV after cold start
- Simultaneous harvesting from both sources
- Up to 135mA current extracted from the harvester
- Maximum power point tracking:
- Both sources are configurable to constant voltage mode or to open circuit voltage ratio mode
- Optimal harvesting from multiple combinations of harvesters (PV cells, RF, vibration, and pulsed sources)
- Cold start from 275mV/1.5µW input:
- Startup at ultra-low power from each harvesting source input
- Selectable over-discharge and overcharge protection:
- Supports various types of rechargeable batteries (LiC, Li-ion, LiPo, and Li-ceramic pouch)
- Regulated output for application circuit:
- Buck regulator with efficiency above 90%
- Selectable output voltage between 0.6V and 2.5V
- Output current up to 100mA
- Thermal monitoring- Battery protection against over-temperature and under-temperature during charging and discharging, independently
- Average power monitoring measures how much energy has been transferred to the battery by each source and the energy drained from the battery to supply the application circuit
- System configuration by GPIO or I²C communication:
- All settings are dynamically configurable through GPIO or I²C (Fast mode plus)
- System data is available through I²C
- External 5V charging capability:
- Extra charging input for 5V power supplies
- CC/CV charging with a configurable current limit in CC mode (maximum 135mA)
- Provides a fast charging alternative when no source is available for a long time
Applications
- Smart homes
- Industrial sensors
- Smart buildings
- Retails
- Edge IoTs
- PC accessories
Functional Block Diagram
Dimensions
Veröffentlichungsdatum: 2025-01-30
| Aktualisiert: 2025-11-05
