Diotec Semiconductor DI008N09SQ N-Channel Power MOSFET
Diotec Semiconductor DI008N09SQ N-Channel Power MOSFET is a 90V drain-source voltage (VDSS) N-channel power MOSFET in a tiny, space-saving SO-8 package. It comes with an 8A continuous drain current (ID) and 2W power dissipation (Ptot). The device offers a low drain-source on-state resistance of 75mΩ typical (VGS=4.5V ID=3A). The Diotec Semiconductor DI008N09SQ is ideal for power management units, battery-powered devices, load switches, polarity protection, and DC/DC converter applications.Features
- Tiny, space-saving package
- Low on-state resistance
- Fast switching times
- Power Trench technology
- Low gate charge
- Compliant to RoHS (w/o exemp.)
- REACH, conflict minerals
Applications
- Power management units
- Battery powered devices
- Load switches, polarity protection
- DC/DC converters
Videos
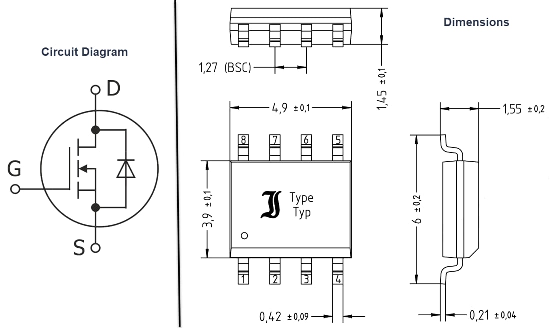
Circuit Diagram & Dimensions
Additional Resources
Veröffentlichungsdatum: 2023-01-04
| Aktualisiert: 2023-02-06
