Diodes Incorporated DTH1006P5 Glaspassivierter Gleichrichter mit schneller Erholung
Der DTH1006P5 glaspassivierte Gleichrichter mit schneller Erholung von Diodes Inc. ist ein Gleichrichter mit einer wiederholbaren Spitzensperrspannung (VRRM) von 600 V in einem thermisch effizienten PowerDI®5-Gehäuse. Das Gerät hat einen durchschnittlichen gleichgerichteten Ausgangsstrom (IO) von 10 A und einen nicht wiederkehrenden Spitzen-Vorwärtsstoßstrom (IFSM) von 120 A. Seine maximale Durchlassspannung (VF) beträgt 1,35 V. Der DTH1006P5 von Diodes Inc. bietet eine hohe Stromstoß-Fähigkeit, niedrigen Ableitstrom und schnelle Sperrwiederherstellungszeiten.Merkmale
- Glaspassivierte Plättchen für hochzuverlässige Bauweisee
- Tief nach vorn gerichteter Spannungsabfall
- Sanfte, hyperschnelle Schaltfähigkeit
- RoHS-konform und bleifreie Ausführung
- Großer freiliegender Kühlkörper auf der Unterseite desGeräts sorgt für eine gute Kühlleistung zur Unterstützung der Hochleistungs- Dissipation
- Halogen- und antimonfreies grünes Gerät
Technische Daten
- PowerDI5-Gehäuse
- Geformtes Kunststoffgehäusematerial mit „Green“-Formmasse und einer Entflammbarkeitsklasse von UL 94V-0.
- Feuchteempfindlichkeit (MSL) 1 gemäß J-STD-020
- Mattes, weichgeglühtes Zinn-Finish auf Kupfer-Leadframe-Anschluss; lötbar gemäß MIL-STD-202, Methode 208.
- Gewicht: 0,096 g (ca.)
Schaltplan
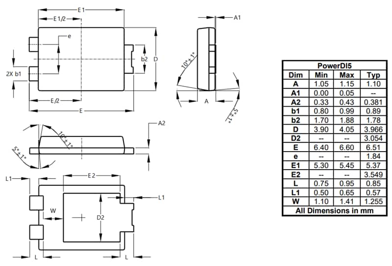
Gehäuseabmessungen
Veröffentlichungsdatum: 2025-09-23
| Aktualisiert: 2025-10-13
