Diodes Incorporated APK43070 Synchroner Abwärtsregler
Der synchrone Abwärtsregler (SBC) APK43070 von Diodes Inc. verfügt über einen USB Type-C® PD 3.1-Quellenregler, der einen Standard-Leistungsbereich (SPR) / eine programmierbare Stromversorgung (PPS) von bis zu 21 V und einen erweiterten Leistungsbereich (EPR) / eine einstellbare Spannungsversorgung (AVS) von bis zu 28 V unterstützt. Es richtet sich an DC-Leistungs- Anbieter und steuert die Abrechnung über einen oder mehrere Port- Applikationen.Der kompakte Abwärtsregler im Bauteil APK43070 ist ein synchroner Abwärtsregler mit konstanter Frequenz, hoher Fähigkeit, optimierter Totzeit und hoher Treiber-Gate-Spannung, der für das Laden mit mittlerer und hoher Leistung ausgelegt ist. Er verfügt über integrierte Treiber für externe N-MOSFETs. Um den Leistungswirkungsgrad des Wechselrichters weiter zu steigern, wird der VIN-DC-Stromdurchgangsmodus unterstützt.
Der APK43070 von Diodes Inc. integriert die SBC/PD3.1 Decoderfunktionen und ermöglicht einen geringen Footprint und eine reduzierte PCB- Größe für Applikationen mit hoher Leistungsdichte. Durch die Nutzung des MOS-Schalters der synchronen Abwärtsregelung können die PDAusgangs-MOS-Schalter für jeden Anschluss eingespart werden, wodurch die BOM-Kosten gesenkt werden.
Um einen höheren Wirkungsgrad, einen extrem niedrigen Stromverbrauch im Standby und eine intelligente Stromverteilung für Applikationen mit mehreren Anschlüssen ohne externe MCU zu unterstützen, integriert das Bauteil APK43070 eine I2C-Schnittstelle, ein Master/Slave-Adressierungsschema und einen Interrupt-/Aktivierungsmechanismus. Durch die Auswahl des Widerstandswerden bis zu acht Anschlussadressen unterstützt.
Aufgrund eines Hochspannungsprozesses bietet derAPK43070 einen VBUS-Kurzschlussschutz an den Pins CC1/CC2 bis zu 30 V. Gleichzeitig bietet der APK43070 umfassenden Sicherheitsschutz, einschließlich Überspannungsschutz (OVP), Überstromschutz (OCP), Übertemperaturschutz (OTP) und Feuchtigkeitserkennung amSteckverbinder.
Merkmale
- Einzelchip-Abwärtsregler mit Quellregler des Typs USB Typ C PD3.1
- Unterstützung von USB PD3.1 EPR/AVS bis zu 28 V, SPR/PPS bis zu 21 V
- 125 kHz / 250 kHz / 400 kHz konfigurierbare Betriebsschaltfrequenzen über GPIO3
- Unterstützt die Stromteilung über I2C
- Unterstützt einen hohen PWM-Arbeitszyklus von bis zu 95 % bei 125 kHz / 90 % bei 400 kHz
- Betriebseingangsspannungsbereich 4 V bis 36 V
- Unterstützt den Bypass-Modus zur Verbesserung des Wirkungsgrades der Ausgangsleistung
- Frequenzdithering zur EMI-Begrenzung
- Unterstützt Legacy BC1.2 und QC3.0/4/4+/5.0
- Unterstützt externen OTP über TS-Pin
- Unterstützt I2C-basierte Topologie an bis zu acht Anschlüssen ohne externe MCU
- Unterstützt bis zu acht I2C-Adressen und wird durch GPIO1 zugewiesen
- Unterstützt PDO-Profile, die durch GPIO2 ausgewählt wurden
- Unterstützt extrem niedrigen STANDBY-Stromverbrauch (<120 µa)="" mit="">120>
- Unterstützt umfassende Schutzsysteme (OVP, UVP, OCP und OTP) sowie Feuchtigkeitserkennung des Steckverbinders mit automatischer Wiederherstellung
- VBUS-Kurzschlussschutz an den Pins CC1/CC2 und DP/DN bis zu 30 V
- Bleifrei und RoHS-konform
- Halogen- und antimonfreies, umweltfreundliches Gerät
- Für Fahrzeuganwendungen die eine spezielle Änderungskontrolle erfordern (d. h. Teile, die gemäß AEC-Q100/101/104/200 qualifiziert, PPAP- fähig und in IATF 16949 zertifizierten Einrichtungen hergestellt sind)
Applikationen
- Ladegeräteadapter mit Mehrfachanschluss, Steckdosenleisten oder Power-Hubs vom Typ C PD3.1 SPR und EPR mit extrem niedrigem STANDBY-Stromverbrauch
- Typ-C PD3.1 SPR- und EPR-Ladegeräte für allgemeine Applikationen
- Typ-C PD3.1 SPR- und EPR-Laden für Hochspannungsbatterien von tragbaren Outdoor-Generatoren
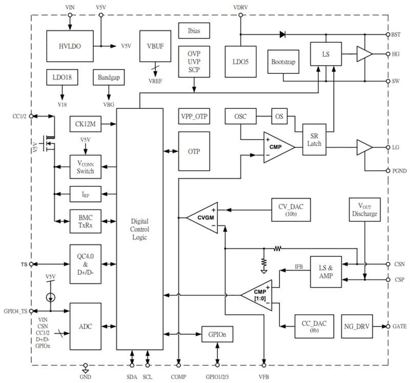
Blockdiagramm
