Diodes Incorporated PI4IOE5V9554 8-Bit-IO-Expander

Der 8-Bit-IO-Expander PI4IOE5V9554 von Diodes Incorporated ist ein 16-poliges CMOS-Bauteil, das eine parallele 8-Bit-Universal-Ein-/Ausgangs-Erweiterung (GPIO) bietet. Dieser Expander enthält ein 8-Bit-Konfigurationsregister (Eingangs- oder Ausgangsauswahl) und ein 8-Bit-Eingangsanschlussregister. Darüber hinaus enthält der PI4IOE5V9554 ein 8-Bit-Ausgangsanschluss-Register und ein 8-Bit-Verpolungsregister (Active-HIGH- oder Active-LOW-Betrieb). Dieser Expander verfügt über eine hohe Antriebsleistung, eine 5-V-I/O-Toleranz, einen niedrigen Versorgungsstrom, eine individuelle I/O-Konfiguration, eine Taktfrequenz von 400 kHz und ein kleines Gehäuse. Der Expander PI4IOE5V9554 bietet einen Rauschfilter auf den SCL-/SDA-Eingängen, keine Störung beim Einschalten und ein internes Power-on-Reset.  Dieser Expander bietet eine einfache Lösung, wenn zusätzliche I/Os für ACPI-Leistungsschalter, Sensoren, Drucktasten, LEDs und Lüfter benötigt werden.

Merkmale

  • 8-Bit-I2C-Bus-GPIO mit Unterbrechung und Reset
  • 5-V-tolerante I/Os
  • Verpolungsregister
  • Aktiver LOW unterbricht den Strom
  • Geringe Stromaufnahme
  • Frequenzbereich: 0 Hz bis 400 kHz
  • Rauschfilter an den SCL-/SDA-Eingängen
  • Power-On-Reset
  • ESD-Schutz (4 KV HBM und 1 KV CDM)
  • Gehäuse
    • SOIC-16
    • TSSOP-16
    • TQFN 3 x 3 - 16
    • TQFN 4 x 4 - 16

Applikationen

  • Server
  • Netzwerke
  • Telekommunikation
  • Laptop
  • TV

Blockdiagramm

Blockdiagramm - Diodes Incorporated PI4IOE5V9554 8-Bit-IO-Expander

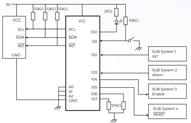
Typisches Applikations-Schaltungsdiagramm

Applikations-Schaltungsdiagramm - Diodes Incorporated PI4IOE5V9554 8-Bit-IO-Expander
Veröffentlichungsdatum: 2020-05-15 | Aktualisiert: 2024-07-31