Diodes Incorporated PI3B3257 Multiplexer/Demultiplexer-Schalter
Diodes Incorporated PI3B3257 Multiplexer-/Demultiplexer-Schalter sind 3,3-V-Quad-2:1-Mux/Demux mit Dreistufen-Ausgangs-Pinbelegung und sind mit PI74FCT257T, 74F257, und 74ALS/AS/LS257 funktionfähig. Diese Schalter verfügen über eine Nicht-Null-Laufzeitverzögerung und einen niedrigen Einschaltwiderstand von 5 Ω. Diese PI3B3257 Mux-/Demux-Schalter sind mit 257-Logikbauteilen der 74-Baureihe pinkompatibel. Diese Schalter bieten einen DC-Ausgangsstrom von 120 mA und eine Verlustleistung von 0,5 W. Die PI3B3257 Mux-/Demux-Schalter werden bei einem Umgebungstemperaturbereich von -40 °C bis +85 °C betrieben. Diese Schalter sind mit einer Versorgungsspannung zum Erdpotential von -0,5 V bis 4,6 V funktionsfähig. Diese PI3B3257 Mux-/Demux-Schalter eignen sich hervorragend für den Einsatz in Desktop-PCS, Industrie-PCs, medizinischen Geräten, Monitore, STB, Tablet-PCS, und Fernseher.Merkmale
- Laufzeitverzögerungen von beinahe Null
- Hohe Schaltgeschwindigkeit
- Extrem niedriger Ruhestrom
- Kompatibel mit PI74FCT257T 74F257 und 74ALS/AS/LS257
- Pinkompatibel mit 257-Logikbauteilen der 74-Baureihe
- Gehäuse
- 16-Pin-QSOP (Q)
- 16-Pin-SOIC (W)
- 16-Pin-TSSOP (L)
- 16-Pin-UQFN (ZHD)
Technische Daten
- Maximale Schaltgeschwindigkeit: 4,8 ns
- Versorgung mit geringem Ruhestrom: 0,1 μA
- Einschaltwiderstand: 5 Ω
- Umgebungstemperaturbereich: -40 °C bis 85 °C
- Lagertemperaturbereich: -65 °C bis +150 °C
- DC-Ausgangsstrom: 120 mA
- Verlustleistung: 0,5 W
- Versorgungsspannungsbereich: -0,5 V bis 4,6 V
Applikationen
- Desktop-PC
- Industrie-PC
- Medizinische Geräte
- Monitore
- Set-Top-Box (STB)
- Tablet-PC
- Fernseher
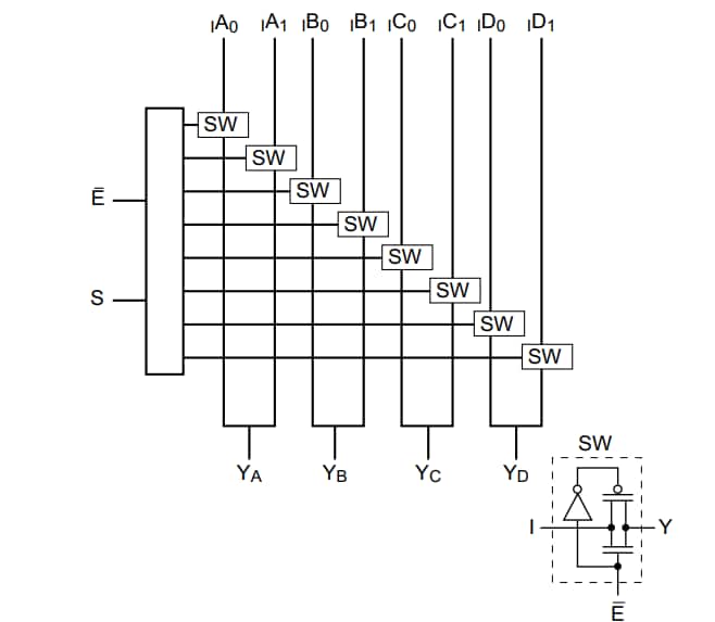
PI3B3257 Funktionales Blockdiagramm
16-Pin-UQFN-Konfiguration
16-Pin-QSOP-, 16-Pin-SOIC- und 16-Pin-TSSOP-Konfiguration
Technischer Hinweis
Veröffentlichungsdatum: 2019-09-13
| Aktualisiert: 2023-07-27
