Diodes Incorporated AS339/339A Analoge Komparatoren
Die analogen Komparatoren AS339/339A von Diodes Incorporated bestehen aus vier unabhängigen Präzisionsspannungs-Komparatoren. Diese Komparatoren sind so ausgelegt, dass sie über einen weiten Spannungsbereich von einer einzigen Stromquelle versorgt werden. Die AS339/339A Komparatoren können auch mit der geteilten Stromversorgung betrieben werden, sodass der Stromverbrauch unabhängig bleibt. Die AS339A Komparatoren haben höhere Eingangs-Offset-Spannung als die AS339 Komparatoren. Diese vier Komparatoren bieten geringen Stromverbrauch, niedrige Offsetspannung und hohe Verstärkung. Die AS339/339A Komparatoren sind in verschiedenen Gehäusen erhältlich, einschließlich DIP-14, SOIC-14 und TSSOP-14.Merkmale
- Wide supply voltage range
- Single supply of 2.0V to 36V
- Dual supplies: ±1V to ±18V
- Low supply current drain of 0.9mA
- Low input offset current of ±5nA (typical)
- Low input offset voltage of 2.0mV (typical)
- Input common-mode voltage range includes ground
- Differential input voltage range equals the power supply voltage
- Low output saturation voltage is 200mA at 4mA
- Open collector output
Applikationen
- Battery charger
- Cordless telephone
- Switching power supply
- DC-DC module
- PC motherboard
- Communication equipment
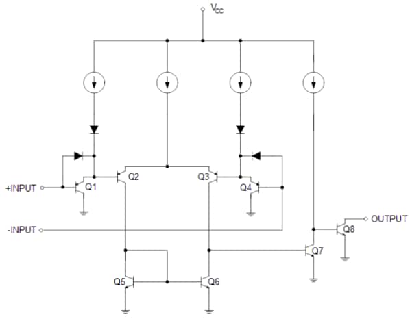
Functional Block Diagram
Veröffentlichungsdatum: 2017-05-11
| Aktualisiert: 2022-03-11
