Diodes Incorporated AP66200 Synchroner DC/DC-Abwärtswandler
Der synchrone DC/DC-Abwärtswandler AP66200 von Diodes Incorporated ist ein Bauteil mit einstellbarer Schaltfrequenz und interner Kompensation mit einer internen Standardfrequenz von 500 kHz. Der vollständig integrierte AP66200 bietet eine hocheffiziente DC/DC-Abwärtswandlung unter Verwendung eines 185 mΩ High-Side-Leistungs-MOSFET und eines 80 mΩ Low-Side-Leistungs-MOSFET. Der AP66200 im grünen U-QFN4040-16/SWP -Gehäuse (Ausführung UXB) ermöglicht einen kontinuierlichen Laststrom (bis zu 2 A) mit einem Wirkungsgrad von bis zu 95 % bei verbesserter Vorspannung. Ein Stromgeregelter Betriebsmodus ermöglicht eine einfache Schleifenstabilisierung bei gleichzeitiger Unterstützung eines breiten kapazitiven Lastausgangsbereichs.Merkmale
- Eingabebereich: 3,8 VV bis 60 VV
- Dauerausgangsstrom: 2 A
- Ausgangs-Spannung einstellbar von 0,8 V bis 50 V
- Erhöhter Wirkungsgrad mit Bias
- Einstellbare Schaltfrequenz, 500 kHz Standard
- Einschalten mit vorgespanntem Ausgang
- Externer Sanftanlauf mit Nachlauf:
- Sequentiell, ratiometrisch oder absolut
- Interner Standard-Sanftanlauf von 2 ms
- Freigabe-Pin mit 5 % Toleranz
- Sanfte Entladung
- ±5 % Power-Good-Erkennung mit internem Pull-up-Widerstand
- Überstromschutz (OCP) mit Hiccup
- Thermischer Schutz
- Umweltfreundliches U-QFN4040-16/SWP (-UXB Ausführung) Gehäuse
- Bleifrei und RoHs-konform
- Halogen und Antimonfrei, umweltfreundliches Bauelement
Applikationen
- DC/DC-Leistungsumwandlung für allgemeine Zwecke im Punkt-zu-Punkt-Betrieb
- Telekommunikationssysteme
- Stromverteilungssysteme
- Audiogeräte für zu Hause
- Unterhaltungselektronik
- Netzwerk Zubehör
- FPGA-, DSP- und ASIC-Versorgungen
- Umweltfreundliche Elektronik
Technische Daten
- 1,5 µA Typische Abschaltung bei Versorgungsstrom 3,5 ° A (max.)
- 40µA typischer Ruhestrom Versorgungsstrom, 60µA max.
- 1,7 ms Typische Sanftanlaufzeit
- 0,75 μA bis 1, Bereich Ladestrom Sanftanlauf 25μA
- 110 ns Mindesteinschaltzeit (typisch)
- 120 ns Mindest-Ausschaltzeit (typisch)
- Betriebstemperatur
- Umgebungstemperatur: -40 °C bis +85 °C
- -40 °C bis +125 °C Anschluss
- Maximale ESD Langzeitanfälligkeit
- ±2500 V Human Body Model (HBM)
- ±1500 V Charged Bauelement Model (CDM)
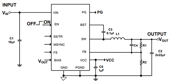
Typische Applikation
Blockdiagramm
Veröffentlichungsdatum: 2023-01-30
| Aktualisiert: 2024-02-13
