Diodes Incorporated AP64351SP-EVM Evaluierungsboard
Das Diodes Incorporated AP64351SP-EVM Evaluierungsboard evaluiert den AP64351 synchronen 3,5-A-Abwärtswandler. Diese Wandler sind vollständig mit einem 80-mΩ -High-Side-Leistungs-MOSFET und einem 50-mΩ -Low-Side-Leistungs-MOSFET integriert, um eine DC/DC-Abwärtswandlung mit hohem Wirkungsgrad zu bieten. Das AP64351SP-EVM Board wird in einem Temperaturbereich von -40°C bis +125°C und einem Versorgungsspannungsbereich von 3,8 V bis 40 V betrieben. Dieses Evaluierungsboard bietet einen Dauerausgangsstrom von 3,5 A. Das AP64351SP-EVM Board eignet sich hervorragend für den Einsatz in LCD-Displays, Zigarettenanzünder-Adaptern, Ladegeräten, USB-Typ-C-Power-Delivery, USB-Lade- und Automotive-Systemen.Merkmale
- Evaluiert den AP64351 synchronen Abwärtswandler
- Dauerausgangsstrom: 3,5 A
- Versorgungsspannungsbereich: 3,8 V bis 40 V
- -40 °C bis 125 °C Betriebstemperaturbereich
Applikationen
- Batteriebetriebenes System für kabellose Elektrowerkzeuge, kabellose Haushaltsgeräte, Drohnen, Modellflugzeuge und GPS-Tracker
- Zigarettenanzünder-Adapter und -Ladegeräte
- LCD
- USB Type-C™ Power Delivery und USB-Laden
- Verteilte Stromversorgungen für Industrie und Medizintechnik
- Optisches Kommunikations- und Netzwerksystem
- Automotive-Systeme
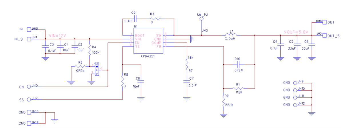
Schaltplan-Diagramm
Veröffentlichungsdatum: 2020-02-11
| Aktualisiert: 2024-07-24
