Diodes Incorporated AL58263Q 16-Kanal-Automotive-LED-Treiber
Der AL58263Q 16-Kanal-Automotive-LED-Treiber von Diodes Incorporated ist ein Konstantstrom-LED-Treiber der AEC-Q100 Klasse 1 mit adaptiver 16-Bit-Graustufen-Pulsdichtemodulation(APDM)-PWM. Die APDM-PWM unterstützt Fehlerdiagnose, Stromsparfunktionen und Strom-Gain-Regelung. Diese unverwechselbare APDM-Technologie reduziert auch die nicht ideale IOUT -Verzerrung aufgrund nicht-symmetrischer Einschwingzeit und verbessert die Aktualisierungsrate durch eine effiziente Trennung der Rahmenwellenform. Der AL58263Q von Diodes Incorporated ist in einem W-QFN4040-24-/SWP-Gehäuse (Typ A1) mit benetzbarer Flanke verfügbar und für den Umgebungstemperaturbereich von -40 °C bis +125 °C spezifiziert.Der AL58263Q wird über einen Eingangsspannungsbereich von 3 V bis 5,0 V, eine Ausgangskanalspannung von 15 V, einen schnellen DCK-Eingang von 25 MHz betrieben und liefert einen Strom mit hoher Genauigkeit von bis zu 55 mA zu jeder Kette von LEDs. Der durchschnittliche Ausgangsstrom jedes Kanals kann unabhängig über eine digitale Schnittstelle programmierbar sein. Ein externer Messwiderstand oder ein globales 6-Bit-Stromsteuerungsregister können die Ausgangsströme aller Kanäle einstellen. Der AL58263Q LED-Treiber verfügt über eine integrierte Erkennung/Diagnose und LED-Unterbrechung/Kurzschluss, einschließlich Fehlererkennung. Diese Fehlerergebnisse werden im Register gespeichert, so dass der MCU sie auslesen kann.
Merkmale
- AEC-Q100 Klasse 1 qualifiziert, PPAP-fähig und in IATF16949-zertifizierten Anlagen hergestellt
- Eingangsspannung VDD: 3 V bis 5,0 V
- Ausgangsstrombereich
- 2 mA bis 55mA/5.0V
- Typische Ausgangsstromregelung: ±0,1 %
- 16-Kanal-Konstantstrom-Senkenausgang
- 16-Bit-Graustufenauflösung
- Globale 6-Bit-Stromsteuerung
- Ausgangskanäle mit Nennspannung von 15 V
- Typische LED-Stromgenauigkeit zwischen den Kanälen: ±1,5 %
- Typische LED-Stromgenauigkeit zwischen Chips: ±3 %
- Gestaffelte Ausgangsverzögerung für EMI-Reduzierung
- Kaskadierte Kapazität (1.440 max. Geräte)
- Erkennung und Diagnose
- Die Fehlererkennung umfasst LED-offen, LED-Kurzschluss, Ausgangsanschluss-Kriechverlust, Ausgangskurzschluss-zu-GND, Ausgangskurzschluss-zu-Leistung und REXT-Kurzschluss-zu-GND
- Warnung vor Übertemperatur
- Serielle 4-Draht-Schnittstelle +1 (LAT, DI, DO, DCK + GCK)
- Datentaktfrequenz (DCK) für die Datenübertragung: 25 MHz
- Doppelkanten-Graustufentakt von bis zu 16 MHz (GCK)
- Externer GCK-Watchdog-Timer
- Nulldaten und Schlafmodus für Stromeinsparungen
- Registerprogrammierbare Optionen
- Regelmäßige PWM- oder adaptive Impulsdichtemodulation
- Integrierte interne PWM oder externer Graustufen-Takt (GCK)
- Kurze Erkennungs-Schwellenspannungsauswahl (2 V/3 V/4 V/4,5 V)
- Umgebungstemperaturbereich: -40 °C bis +125 °C
- W-QFN4040-24/SWP-Gehäuse mit benetzbarer Flanke (Typ A1)
- Vollständig RoHS-konform und völlig bleifrei
- Halogen- und antimonfreies umweltfreundliches Bauteil
Applikationen
- Automotive-Kombiinstrumente
- Lokale Automotive-Verdunkelungsdisplays
- Front- und Rückseite-Automotive-Frontblenden
- Automotive-Center-Stapel-Displays
- Automotive-Innen- und RGB-Beleuchtung
- Automotive-HLK-Schalttafeln
- Automotive-Schaltanzeiger
- Automotive-Außenbeleuchtung
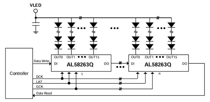
Typische Applikation
Blockdiagramm
