Diodes Incorporated AL3069Q Display-LED-Hintergrundbeleuchtungstreiber für Fahrzeuganwendungen
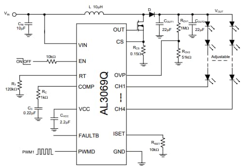
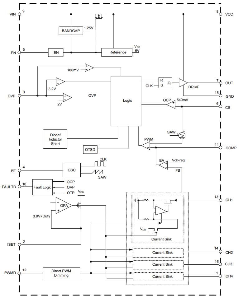
Diodes Incorporated AL3069Q LED-Hintergrundbeleuchtungstreiber in Automotive-Displays sind 60-V-Boost-Controller mit hohem Wirkungsgrad, die speziell für Automotive-LED-Hintergrundbeleuchtungsapplikationen konzipiert wurden. Diese Treiber integrieren vier 80-V-Stromsenkenkanäle mit hoher Genauigkeit und bieten eine robuste Fehlerdiagnose, um einen zuverlässigen Betrieb in anspruchsvollen Umgebungen zu gewährleisten. Die AL3069Q LED-Treiber verfügen über eine eingebaute adaptive Spannungsregelung und arbeiten in einem weiten Eingangsspannungsbereich von 4,5 V bis 60 V. Diese Treiber bieten eine einstellbare Schaltfrequenz von 100 kHz bis 1 MHz und ein minimales PWM-Verdunkelungs-Tastverhältnis von 1/5000 kann bei 100 Hz erreicht werden. Die AL3069Q-Treiber sind in den Gehäusen TSSOP-16EP (Typ DX) und UQFN4040-16/SWP (Typ UXB) erhältlich. Diese LED-Hintergrundbeleuchtungstreiber sind für AEC-Q100, Klasse 1 qualifiziert und entsprechen dem Automobilstandard zur PPAPs-Unterstützung. Die Treiber AL3069Q verfügen über einige der fortschrittlichsten Fehlerdiagnosefunktionen sowie robuste Schutzmechanismen, wodurch sie sich ideal für Applikationen wie Fahrzeug-Infotainment, Kombiinstrumente und intelligente Spiegel eignen.Merkmale
- Gemäß AEC-Q100 Klasse 1 qualifiziert
- Boost- oder SEPIC-DC/DC-Regler
- Integrierte adaptive Spannungsrückmeldung
- Eingangsspannungsbereich von 4,5 V bis 60 V
- Hochspannung-Pins CS und OVP dienen der Prüfung
- Schaltfrequenzbereich von 100 kHz bis 1 MHz
- Vier Stromsenken mit hoher Genauigkeit
- 250 mA pro Strang und Impulsstrom von 400 mA
- Typische Kanal-zu-Kanal-Stromübereinstimmung von ±0,5 %
- Unterstützt direkte PWM-Verdunkelung
- Umfangreiche Defektdiagnose
- Berichtspin für Open-Drain-Defekt
- Minimale PWM-Verdunkelungsfrequenz erreicht 1/5000 bei Verdunkelung von 100 Hz
- LED-Unterbrechungs-/Kurzschlussschutz
- Kurzschlussschutz durch SCHOTTKY-Diode/Induktivität
- Integrierte Schutzfunktionen
- Elektrische Sicherung
- Überspannungsschutz (OVP)
- Überhitzungsschutz (OTP)
- Unter Spannungssperre (UVLO)
- Schutz gegen VOUT-Kurzschluss/offene Schottky-Diode
- Vollständig RoHS-konform und völlig bleifrei
- Halogen- und antimonfrei ["Grünes" Gerät]
Applikationen
- Fahrzeug-Infotainmentsysteme
- Kombiinstrumente für Fahrzeuge
- Smart-Spiegel
- Heads-up-Displays (HUDs)
Applikations-Schaltung Diagramm
Funktionales Blockdiagramm
Weitere Ressourcen
Veröffentlichungsdatum: 2025-10-07
| Aktualisiert: 2025-11-21
