Diodes Incorporated DMN52D0LT N-Kanal-Enhancement-Modus MOSFET
Der DMN52D0LT N-Kanal-Enhancement-Modus MOSFET von Diodes Incorporated wurde entwickelt, um RDS (ON) zu minimieren und eine beeindruckende Schaltleistung beizubehalten. Dieser MOSFET zeichnet sich durch eine sehr niedrige Gate-Schwellenspannung, eine geringe Eingangskapazität, eine hohe Schaltgeschwindigkeit und ein ESD-geschütztes Gate aus. Der DMN52D0LT-MOSFET bietet geringe Eingangs-/Ausgangskriechverluste und ist AEC-Q100/101/104/200-zertifiziert und PPAP-fähig. Dieser MOSFET ist bleifrei, RoHS-konform und arbeitet in einem Temperaturbereich von -55 °C bis 150 °C. Typische Applikationen sind Motorantriebe, Power-Management-Funktionen und Lastschaltungen.Merkmale
- Niedriger Einschaltwiderstand
- Sehr niedrige Gate-Schwellenspannung
- Niedrige Eingangskapazität
- Schnelle Schaltgeschwindigkeit
- Geringe Eingangs-/Ausgangskriechverlust
- ESD-geschütztes Gate
- Bleifrei
- RoHs-konform
- Halogen- und antimonfrei
Technische Daten
- 50 VDSS Drain-Source-Spannung
- ±12 VGSS Gate-Source-Spannung
- 1,2 A gepulster Drainstrom
- 350 mA maximaler kontinuierlicher Durchlassstrom der Body-Diode
- Betriebstemperaturbereich: -55 °C bis 150 °C
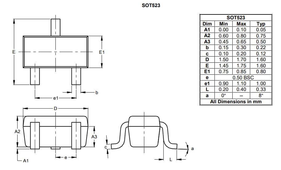
- Gehäuse:
- SOT523
- UL-Entflammbarkeitsklassifizierung 94V-0
- Gewicht:
- 0,002 Gramm
Applikationen
- Motorantriebe
- Leistungsmanagement-Funktionen
- Lastschaltung
Abmessungen
Veröffentlichungsdatum: 2022-12-27
| Aktualisiert: 2023-01-09
