Diodes Incorporated AP64352QSP-EVM Evaluierungsboard

Das Diodes BLUETOOTH  AP64352QSP-EVM Evaluierungsboard ist zur Evaluierung des AP64352Q synchronen Abwärtswandlers mit einem großen Eingangsspannungsbereich von 3,8 V bis 40 V ausgelegt. Dieser Wandler integriert einen 75 mΩ high-side-Leistungs-MOSFET und einen 45 mΩ low-side-Leistungs-MOSFET vollständig, um eine DC/DC-Abwärtswandlung mit hohem Wirkungsgrad zu bieten. Zu den typischen Applikationen gehören 5 V, 12 V und 24 V verteilte bus-Stromversorgungen, Haushaltsgeräte, Heim-audio, Netzwerksysteme, Unterhaltungselektronik und kabellose Elektrowerkzeuge.

Übersicht

Diodes Incorporated AP64352QSP-EVM Evaluierungsboard

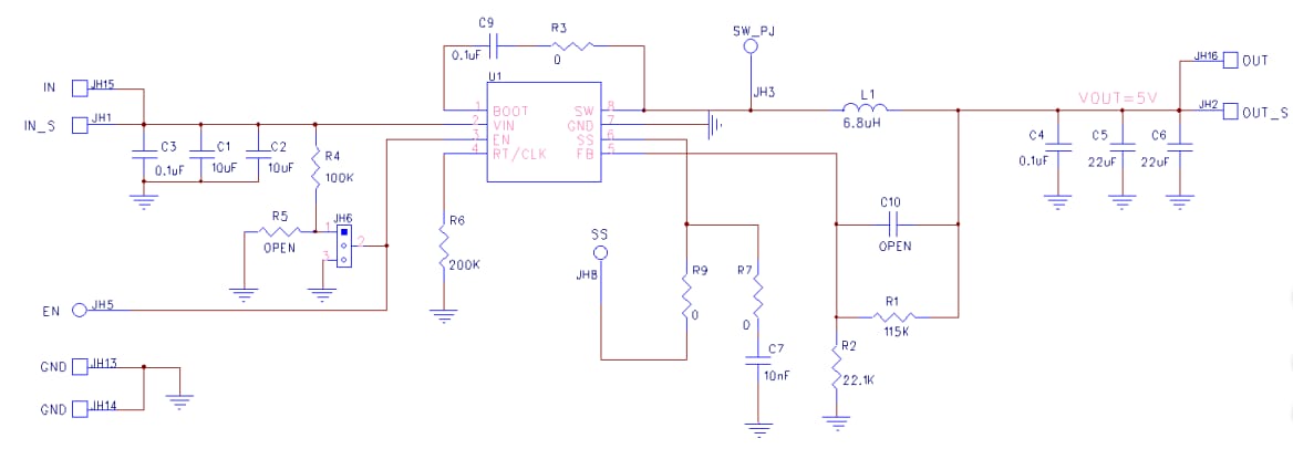
AP64352QSP-EVM Schaltplan

Schaltplan - Diodes Incorporated AP64352QSP-EVM Evaluierungsboard
Veröffentlichungsdatum: 2020-07-13 | Aktualisiert: 2024-08-07