Diodes Incorporated AL5873Q Automotive-LED-Treiber
Der AL5873Q Automotive-LED-Treiber von Diodes Incorporated ist ein linearer Dreikanal-Treiber mit PWM-Dimmung (Puls Weite Modulation) und analoger Verdunkelungssteuerung. Jeder der drei Kanäle kann bis zu 250 mA mit einem kombinierten Antriebsstrom von bis zu 750 mA ansteuern. Der Strom eines jeden Kanals wird durch zwei Referenzwiderstände eingestellt, die mit den REF1- und REF2-Pins verbunden sind. Der AL5873Q regelt den LED-Strom für jeden Kanal mit einer Genauigkeit von bis zu ±4 % und einer ausgezeichneten Verdunkelungsleistung. Der AL5873Q wechselt in den Standby-Modus, um Strom zu sparen, wenn kein PWM-Signal erkannt wird.Der AL5873Q überwacht die Temperatur und reduziert den LED-Strom, wenn seine Übergangstemperatur die Schwellentemperatur überschreitet. Für eine verbesserte Systemrobustheit verfügt der AL5783Q über eine Eingangsunterspannungssperre (UVLO), einen offenen LED-Kettenschutz/Kurzschluss-Sicherung und einen Übertemperaturschutz (OTP), die über einen Fehleranzeige-Pin (FAULTB) gemeldet werden.
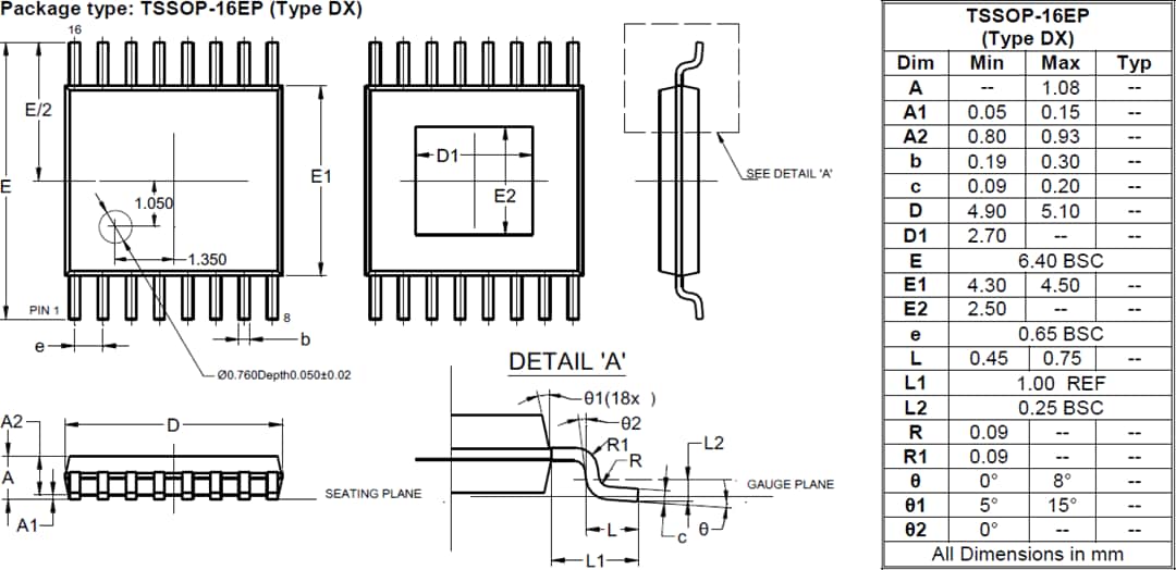
Der AL5873Q LED-Treiber von Diodes Incorporated ist in einem TSSOP-16EP-Gehäuse (Typ DX) verfügbar und ist für den Einsatz in Fahrzeuganwendungen AEC-Q100-qualifiziert (Klasse 1).
Merkmale
- AEC-Q100-qualifiziert, PPAP-fähig und wird in IATF 16949 zertifizierten Anlagen hergestellt
- Großer Eingangsspannungsbereich: 5 V bis 55 V
- Jeder Kanal kann einen Strom von bis zu 250 mA liefern
- Stop- und Endstrom unabhängig über 2 Widerstände eingestellt
- Umschaltung des LED-Stroms zwischen Stop- und Tail-Funktion automatisch über den FULL-Eingang
- PWM-Verdunkelung über beide PWM-Eingänge und Stromversorgung
- TSSOP-16EP-Gehäuse (Typ DX)
- Vollständig RoHS-konform und bleifrei
- Halogen- und antimonfreies umweltfreundliches Bauteil
- Analoge Verdunkelung über ADIM-Eingang
- Wechselt automatisch in den Standby-Modus und verlässt diesen ohne Freigabe-Pin
- Interne Schutzfunktionen
- Eingangs-Unterspannungssperre (UVLO)
- Schutz der LED gegen Kurzschluss
- LED-Ketten-Unterbrechungsschutz
- Übertemperaturschutz (OTP)
- Thermisches Foldback, wenn die Chiptemperatur den Schwellenwert überschreitet
- Fehlermeldung: UVLO, OTP, LED Unterbrechung, und LED Kurzschluss
Applikationen
- Fahrzeuginnenraum-LED-Lampen
- Heckleuchten
- Rück- und Bremsleuchten
- Blinker hinten
- Parklicht
- Nebelschlussleuchte
- Rückfahrscheinwerfer
Blockdiagramm
Typische Applikations-Schaltung
Gehäuseabmessungen
Veröffentlichungsdatum: 2021-03-24
| Aktualisiert: 2022-11-28
