Dialight 599 Reverse Mount SMD LEDs
Dialight 599 Reverse Mount SMD LEDs are designed for lighting the non-component side of a PCB, where the LED emits light through a small cut-out hole on the board. Color options include red, red-orange, yellow, yellow-green, true green, and blue. The 599 Reverse Mount LEDs offer a 140° viewing angle with an 18mcd to 900mcd luminous intensity range. Operating within a -40°C to +85°C temperature range and a 1.8V to 3.5V forward voltage range, these LEDs are ideal for narrow-space applications and are compatible with automatic placement machines. Applications include front panel illumination, status indication, backlighting for keypads / symbols / switch buttons, networking / telecommunications, and general LED lighting.Features
- Reverse mount SMD LEDs are for lighting the non-component side of a PCB, where the LED emits light through a small cut-out hole on the board
- Industry-standard footprint, small package with a thin profile for space-saving
- Ideal for narrow-space applications
- Compatible with automatic placement machines
- Single color output
- AlInGaP Die 1
- Water clear lens color
- Non-tinted, non-diffused lens colors
- Red, red-orange, yellow, yellow-green, true green, and blue LED color options
- Available in carrier tape or reel
- Moisture Sensitivity Level (MSL) 3
- RoHS compliant
Applications
- Front panel illumination
- Status indication
- Backlighting for keypads, symbols, and switch buttons
- Networking and telecommunications
- General LED lighting
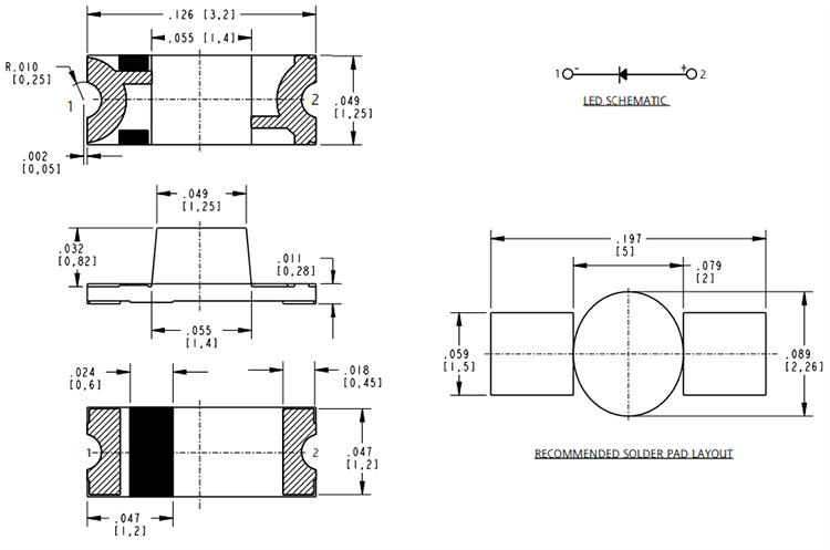
Specifications
- 1205 package size
- 3.2mm x 1.25mm x 1.1mm (LxWxH) dimensions
- 69mW to 105mW power dissipation range
- 30mA forward current, 60mA peak
- 18mcd to 900mcd luminous intensity range
- 1.8V to 3.5V forward voltage range
- 517nm to 640nm dominant wavelength range
- 10µA maximum reverse current at 5V
- 140° typical viewing angle
- 0.417mA/°C derating curve
- 1000V or 2000V electrostatic discharge options
- 450°C/W maximum thermal resistance
- -40°C to +85°C operating temperature range
Dimensions
Veröffentlichungsdatum: 2024-04-15
| Aktualisiert: 2025-01-02
