CUI Inc PBO Extrem kompakte AC/DC-Netzteile
CUI PBO extrem kompakte AC/DC-Netzteile mit offener Bauart bieten einen typischen Wirkungsgrad von 80 % und einen großen Eingangsspannungsbereich von 85 bis 264 VAC oder 70 bis 400 VDC für Hochspannungs-DC/DC-Systeme. Diese extrem kompakten Netzteile von CUI verfügen über eine kleine Größe von 35 mm x 11 mm x 18 mm und sind in einem SIP-Gehäuse mit offenem Rahmen erhältlich. PBO ermöglichen Einzelausgangsspannungen von 3,3, 5, 9, 12, 15 und 24 VDC. Die 5W-Modelle bieten einen Temperaturbereich von -25 °C bis +85 °C, während die 1W- und 3W-Versionen einen Bereich von -40 °C bis +85 °C bieten. PBO-3 und PBO-5 bieten eine Eingang-zu-Ausgang-Isolierung von 3.000 VAC. Die PBO-3-B-Serie ist ein 3W-Netzteil und verfügt über eine rechtwinklige Konfiguration. Diese CUI Netzteile entsprechen den Normen UL60950-1/EN 60950-1 und erfüllen die Grenzwerte der EN55022 Klasse B für leitungsgebundene und abgestrahlte Emissionen und umfassen einen Überstrom- und Kurzschlussschutz. PBO-Netzteile dienen einer Vielzahl von Anwendungen, einschließlich industrieller Systeme, Automatisierungstechnik, Sicherheit, Telekommunikation und intelligente Heimgeräte.Merkmale
- 3W or 5W continuous power
- Available in straight-pin and bent-pin configurations (3W models)
- Ultra-compact SIP package
- 85 to 264VAC or 70 to 400VDC input voltage range
- Overcurrent and short-circuit protection
- 3000VAC isolation
- UL 60950-1, CE safety approvals
- Efficiency up to 79%
- 3.3 to 24VDC output voltage
Applikationen
- Industrial systems
- Automation equipment
- Security
- Telecommunications
- Smart home devices
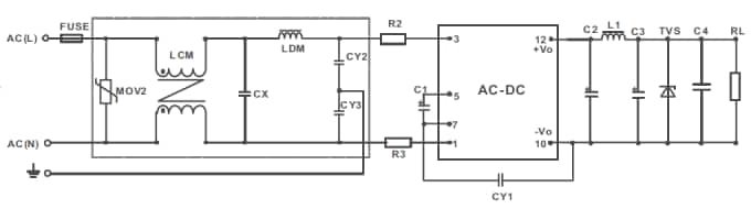
PBO-5 Application Circuit
PBO-3 Application Circuit
PBO-1 Application Circuit
Veröffentlichungsdatum: 2016-11-14
| Aktualisiert: 2022-03-11
