CUI Inc Novum® NQB-N DC-DC Converter

CUI Novum® NQB-N DC-DC Converters are quarter-brick fully regulated bus converters housed in an industry standard 5-pin package. The fully regulated converters use power-optimizing firmware to maximize efficiency and provide peak performance. Typical efficiency at half load is 96.4%. The NQB-N modules are ideal for small space applications with wide-ranging loading conditions. The series is suitable for next-generation ICT (Information and Communication Technology) equipment. These dc-dc converters are pin and function compatible with Architects of Modern Power™ (AMP Group) product standards.

Features

  • Pin and function compatible with Architects of Modern Power™ product standards
  • Industry standard quarter-brick 57.9 x 36.8 x 11.3mm (2.28 x 1.45 x 0.445in)
  • Industry-leading power density for telecom and datacom 127~141W / sq. in
  • Isolated topology
  • 96.4% High efficiency (typical) at half load, 12Vout
  • High power density
  • Fast transient response
  • Fully regulated advanced bus converter from 36~75Vin
  • 2250VDC input to output isolation
  • Fast feed-forward regulation to manage line transients
  • Optional baseplate for high-temperature applications
  • Droop load sharing with 10% current share accuracy
  • 2.9 million hours MTBF
  • ISO 9001/14001 certified supplier
  • Industry standard footprint
  • High conversion efficiency
  • Wide range of input and output characteristics available

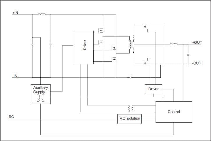
Application Circuit Diagram

Application Circuit Diagram - CUI Inc Novum® NQB-N DC-DC Converter
View Results ( 2 ) Page
Teilnummer Datenblatt Beschreibung Isolierungsspannung
NQB-420NWA-AN NQB-420NWA-AN Datenblatt DC/DC Converters - Through Hole Novum IBC, QB, 12 Vdc out, 420 W, 36~75 Vdc in, TH, open frame 2.25 kV
NQB-468NMA-ANH NQB-468NMA-ANH Datenblatt DC/DC Converters - Through Hole Novum IBC, QB, 12 Vdc out, 468 W, 40~60 Vdc in, TH, flat heatsink 2.25 kV
Veröffentlichungsdatum: 2015-02-24 | Aktualisiert: 2022-03-11