CUI Inc Novum® NQB-D DC-DC Converters
CUI Novum® NQB-D is a series of fully regulated 1/4 brick intermediate bus DC-DC Converters with digital control. A 32-bit ARM-based microcontroller with power-optimizing firmware maximizes efficiency as well as provides peak performance across a wide range of loading conditions. A diverse range of configurable power management features is available for the NQB-D series via PMBus. Configurable features include output voltage, fault response, and soft start/stop. These modules are pin and function compatible with Architects of Modern Power™ (AMP Group) product standards.Features
- Pin and function compatible with Architects of Modern Power™ product standards
- Quarter-brick with digital PMBus interface 57.9 x 36.8 x 11.3mm (2.28 x 1.45 x 0.445in)
- Industry standard 5-pins for intermediate bus architectures
- Industry-leading power density for telecom and datacom 127W~141W / sq. in
- 96.4% High-efficiency at half load, 12Vout
- Gully regulated advanced bus converter from 36~75Vin
- Configurable soft start/stop
- Precision delay and ramp-up
- Voltage margining
- Voltage/current/temperature monitoring
- Configurable output voltage and fault response
- Power good
- 2250VDC input to output isolation
- Fast feed-forward regulation to manage line transients
- Optional baseplate for high-temperature applications
- Droop load sharing with 10% current share accuracy
- PMBus Revision 1.2 compliant
- 2.9 million hours MTBF
- ISO 9001/14001 certified supplier
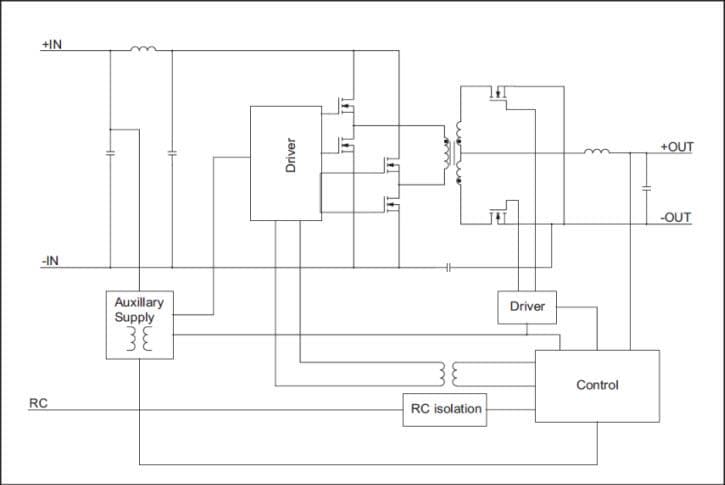
Application Circuit Diagram
Additional Resources
Veröffentlichungsdatum: 2015-02-24
| Aktualisiert: 2022-03-11
