CUI Inc VGS-50E AC/DC-Netzteile
CUI Inc VGS-50E AC/DC-Netzteile sind 50-W-Netzteile, die die 60335-Systemanforderungen erfüllen und 62368-zertifiziert sind. Diese AC/DC-Netzteile haben ein Profil von 34,5 mm, einen Kurzschluss- und Überspannungsschutz und Emissionen der Klasse B. Die VGS-50E AC/DC-Netzteile arbeiten mit einem großen Eingangsspannungsbereich von 85 VAC bis 264 VAC. Diese internen AC/DC-Netzteile für die Chassismontage sind in einem kompakten Metallgehäuse untergebracht und RoHS-konform. Die VGS-50E Stromversorgung arbeitet in einem Temperaturbereich von -30 °C bis 80 °C. Die interne AC/DC-Stromversorgung ist ideal für die Reduzierung des Standby-Stromverbrauchs in Industrieapplikationen.Merkmale
- Universal-Eingangsspannungsbereich von 85 VAC bis 264 VAC
- Emissionen der Klasse B (EN 55032/CISPR/FCC)
- Zertifiziert gemäß IEC/EN/UL 62368-1
- Zur Erfüllung der Anforderungen gemäß IEC/EN 60335 ausgelegt
- Schutzfunktionen:
- Kurzschluss
- Überspannungsschutz
- <0,15 w="">0,15>
- Klasse I oder Klasse II
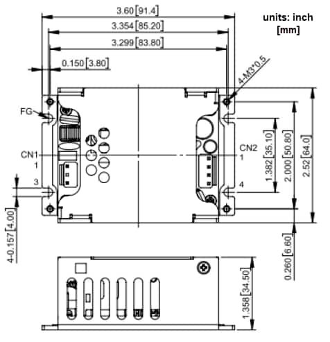
- Abmessungen: 3,598 Zoll x 2.520 Zoll x 1,358 Zoll (91,40 mm x 64 mm x 34,50 mm)
- Bis zu 5.000 m Betriebshöhe
- OVC III
Applikationen
- Reduziert den Standby-Stromverbrauch in Industrieapplikationen
Maßbild
Blockdiagramm
View Results ( 6 ) Page
| Teilnummer | Datenblatt | Ausgangsspannung (Kanal 1) | Ausgangsleistung | Ausgangsstrom (Kanal 1) | Abmessungen | Eingangsfrequenz | Isolierungsspannung |
|---|---|---|---|---|---|---|---|
| VGS-50E-12 | ![]() |
12 VDC | 50 W | 4.17 A | 91.4 mm x 64 mm x 34.5 mm | 47 Hz to 63 Hz | 4.25 kVAC |
| VGS-50E-24 | ![]() |
24 VDC | 50 W | 2.08 A | 91.4 mm x 64 mm x 34.5 mm | 47 Hz to 63 Hz | 4.25 kVAC |
| VGS-50E-48 | ![]() |
48 VDC | 50 W | 1.04 A | 91.4 mm x 64 mm x 34.5 mm | 47 Hz to 63 Hz | 4.25 kVAC |
| VGS-50E-15 | ![]() |
15 VDC | 50 W | 3.33 A | 91.4 mm x 64 mm x 34.5 mm | 47 Hz to 63 Hz | 4.25 kVAC |
| VGS-50E-36 | ![]() |
36 VDC | 50 W | 1.39 A | 91.4 mm x 64 mm x 34.5 mm | 47 Hz to 63 Hz | 4.25 kVAC |
| VGS-50E-5 | ![]() |
5 VDC | 40 W | 8 A | 91.4 mm x 64 mm x 34.5 mm | 47 Hz to 63 Hz | 4.25 kVAC |
Veröffentlichungsdatum: 2025-03-19
| Aktualisiert: 2025-12-12

