Coilcraft PoE300F Sperrwandler
Coilcraft PoE300F Sperrwandler sind zur Erfüllung der Anforderungen des IEEE 802.3at-2009-Standards für 30-W-PoE ausgelegt. Diese Transformer werden in einem Frequenzbereich von 250 kHz und einem Eingangsspannungsbereich von 36 V bis 72 V betrieben. Diese PoE300F Transformer bieten 1.500 Vrms 1 Minute Primär- zu Sekundärwicklungen bzw. 500 Vrms Primär- zu Hilfswicklungen.Merkmale
- Zur Erfüllung der Anforderungen des IEEE 802.3at-2009-Standards für 30-W-PoE ausgelegt
- Wird bei einer Frequenz von 250 kHz betrieben
- Eingangsspannungsbereich von 36 V bis 72 V
- Isolierung von 1.500 Vrms, 1 Minute Primär- zu Sekundärwicklungen und 500 Vrms Primär- zu Hilfswicklungen
- Ferritkernmaterial
- Umgebungstemperaturbereich: -40 °C bis +125 °C
- Gewicht: 11,9 g
- Feuchteempfindlichkeit (MSL) 1
Schaltplan-Diagramm
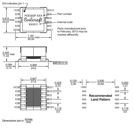
Technische Zeichnung
Veröffentlichungsdatum: 2019-09-09
| Aktualisiert: 2023-08-08
