Cincon CFM36S 36W AC-DC Modules
Cincon CFM36S 36W AC-DC Modules are 36W open-frame or encapsulated AC-DC modules with universal input and multiple output options in a 1.5" x 3" footprint. The Cincon CFM36S includes PCB mount or connector termination options. This AC-DC module series provides up to 89% efficiency, with continuous short circuit protection and over-voltage protection in a Class I or Class II type.
Features
- 90VAC to 264VAC universal input range
- Up to 89% efficiency
- 1.5” x 3” Size
- Class II Type “Blank” and “E”
- Class II or I Type “T”
- <0.1W no load power
- 5000m operating altitude
- Continuous short circuit protection
- Over-voltage protection
- Approvals
- IEC/EN/UL 62368-1
- EN 55032 Class B and CISPR/FCC Class B
- Design Meets IEC/EN 60335-1
Specifications
- 5.0V to 48V output voltage
- 0.75A to 6.0A output current
- 100mV to 480mV ripple and noise
- ±2% voltage accuracy
- ±0.5% line regulation
- ±1% load regulation
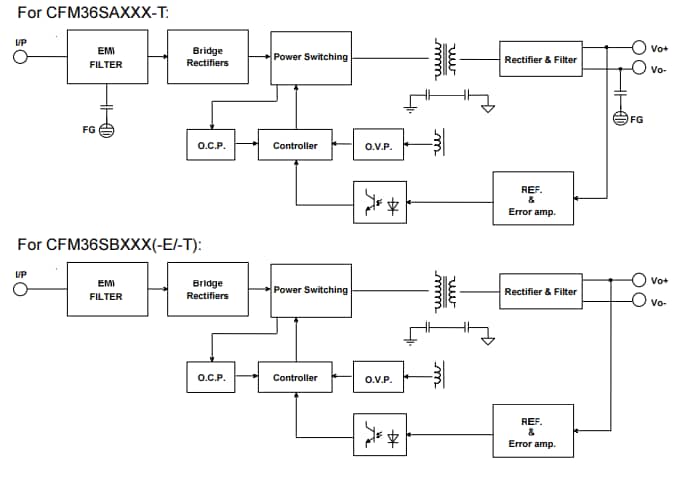
Block Diagram
Additional Resources
Veröffentlichungsdatum: 2022-08-02
| Aktualisiert: 2025-12-14
