Carlo Gavazzi RM1E Solid State Relays
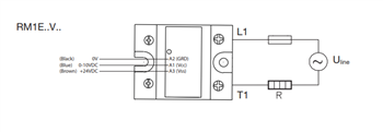
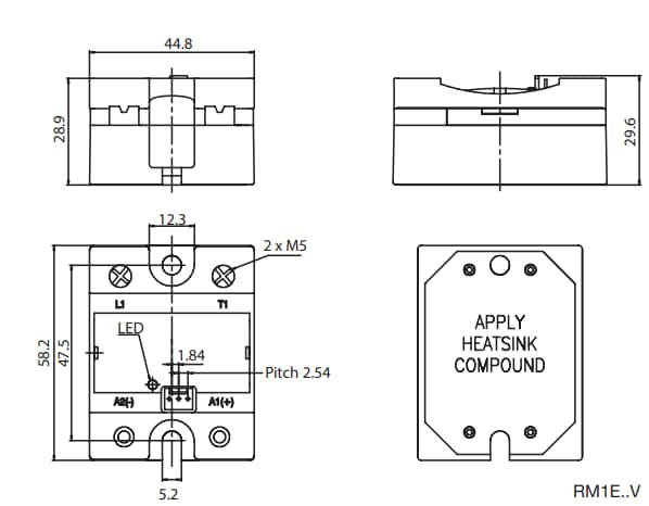
Carlo Gavazzi RM1E Solid State Relays are analog switching relays that work in accordance with the phase angle control principle. The relay switches off every time the output current crosses zero and switches on in accordance with the applied control input. These relays offer analog switching (phase-angle control) for resistive and slightly inductive load applications. The RME1 series solid state relays feature an integral snubber network and polarized lockable control connector for safe connection in voltage-controlled version. These relays require 4mA to 20mA or 0V to 10V control input. Typical applications include heaters, lighting, slightly inductive loads such as small fans, and soft turn-on of high-power incandescent lamps.Features
- AC solid-state relay
- Analog switching (phase-angle control) for resistive and slightly inductive load applications
- Variable intensity LED-indication according to the input current
- Integral snubber network
- Polarized lockable control connector for safe connection for voltage-controlled version
Specifications
- 4mA to 20mA or 0V to 10V control input
- 25AACrms, 50AACrms, 75AACrms, 100AACrms, and 125AACrms rated operational current
- Up to 600 VACrms rated operational voltage
Applications
- Heaters
- Lighting
- Slightly inductive loads such as small fans
- Soft turn-on of high-power incandescent lamps
Additional Resource
Veröffentlichungsdatum: 2021-02-07
| Aktualisiert: 2022-03-11
