Broadcom HEDS-9930 (E2/E2L) Evaluierungsboards
Die Evaluierungsboards HEDS-9930 (E2/E2L) von Broadcom sind für den Einsatz als Referenzdesign für den Encoder-ASIC AEDR-9930 ausgelegt. Die AEDR-9930E2/E2L sind reflektierende optische Dreikanal-Encoder, die digitale Signale mit einer reflektierenden Technologie für Bewegungssteuerungszwecke liefern. Diese digitalen Encoder bieten Zweikanal-Quadratur-Digitalausgänge (AB) und einen digitalen Indexausgang für den dritten Kanal. Zu den typischen Applikationen gehören Schrittmotoren mit geschlossenem Regelkreis, Industriedrucker, Betätiger, Robotik, Kartenleser, lineare Stufen, tragbare medizinische Geräte, optometrische Ausrüstungen und Pan-Tilt-Zoom-Kameras (PTZ).Applikationen
- Schrittmotoren mit geschlossenem Regelkreis
- Kleinmotoren und Betätiger
- Industriedrucker
- Robotik
- Kartenleser
- Schwenk-Neige-Zoom-Kameras (PTZ).
- Tragbare medizinische Ausrüstung
- Optometrische Ausrüstung
- Lineare Stufen
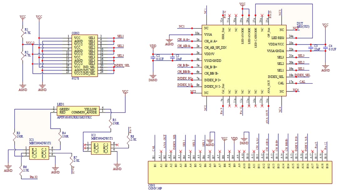
Schaltplan
Weitere Ressourcen
Veröffentlichungsdatum: 2025-04-14
| Aktualisiert: 2025-04-30
