Broadcom AFBR-S4N22P014M NUV-MT Photomultiplier-Array

Das AFBR-S4N22P014M NUV-MT Fotomultiplizierer-Array von Broadcom ist für hochempfindliche Präzisionsmessungen einzelner Photonen ausgelegt. Dieses Photovervielfacher-Array verfügt über eine ausgezeichnete Einzelphoton-Zeitauflösung (SPTR) und CRT. Darüber hinaus bietet dieses Photovervielfacher-array eine hervorragende Durchschlagspannung und gain-Gleichmäßigkeit zwischen den Bauteilen. Das AFBR-S4N22P014M SiPM-Array verfügt über eine hochtransparente Epoxid-Schutzschicht, die eine breite Reaktion im sichtbaren Lichtspektrum mit hoher Empfindlichkeit gegenüber dem blauen und nahen UV-Bereich ermöglicht. Dieses Photomultiplier-Array arbeitet im Betriebstemperaturbereich von -20 °C bis 60 °C und ist RoHS-, CFM- und REACH-konform. Typische Applikationen umfassen Röntgen- und Gammastrahlen-Erkennung, Nuklearmedizin, Positronenemissionstomographie, Schutz und Sicherheit, Physikexperimente und Cherenkov-Erkennung.

Merkmale

  • Hoher Lichterkennungswirkungsgrad (PDE) von 63 % bei 420 nm
  • Vierseitig kachelbar, mit hohen Füllfaktoren
  • 40 μm Zellenraster
  • Hochtransparente Epoxid-Schutzschicht
  • -20 °C bis 60 °C Betriebstemperaturbereich
  • Einzelkanal
  • Ausgezeichnete SPTR und CRT
  • Hervorragende Gleichmäßigkeit von Durchschlagspannung und Gain zwischen den Bauteilen
  • RoHS-, CFM- und REACH-konform

Technische Daten

  • Maximale Löttemperatur: 245 °C
  • Maximale elektrostatische Entladungsspannungskapazität (HBM): 2 kV
  • Maximale elektrostatische Entladungsspannungskapazität (CDM): 500 V
  • Maximale Betriebsüberspannung: 16 V
  • Typischer Dunkelstrom pro Element: 0,98 µA
  • Typische Durchschlagspannung: 32,5 V
  • Typische Spitzenempfindlichkeitswellenlänge: 420 nm
  • Typische Anschlussnennkapazität: 160 pF
  • 55 ns Typische Aufladezeitkonstante
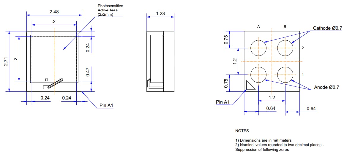
  • 2,71 mm x 2,48 mm Gehäusegröße

Applikationen

  • Röntgen- und Gammastrahlenerkennung
  • Nuklearmedizin
  • Positronen-Emissions-Tomografie
  • Schutz und Sicherheit
  • Physikalische Experimente
  • Cherenkov-Detektion

Blockdiagramm

Blockdiagramm - Broadcom AFBR-S4N22P014M NUV-MT Photomultiplier-Array

Gehäuseabmessungen

Technische Zeichnung - Broadcom AFBR-S4N22P014M NUV-MT Photomultiplier-Array
Veröffentlichungsdatum: 2024-01-31 | Aktualisiert: 2024-12-27