Broadcom Programmierbarer magnet. Winkelkodierer AEAT-9955

Der programmierbare magnetische Winkelkodierer AEAT-9955 von Broadcom ist ein magnetischer Drehwinkelsensor, der genaue Winkelmessungen über einen vollen Drehbereich von 360 Grad ermöglicht. Der AEAT-9955 integriert Hall-Sensorelemente mit komplexer analoger und digitaler Signalverarbeitung in einem einzigen Gerät. / Ein einfacher zweipoliger Magnet erzeugt das erforderliche Magnetfeld, indem er senkrecht gedreht wird. Vielfältige Magnetfeldsensorkonfigurationen ermöglichen On-Axis- (Ende der Welle) oder Off-Axis-Modi (Seite der Welle, axial und radial) in Applikationen.

Der AEAT-9955 ist eine vielseitige Lösung, die mit ihrer robusten Architektur zur Messung und Lieferung von Absolut- und Inkrementalsignalen eine breite Palette von Applikationen unterstützen kann. Die absolute Winkelmessung zeigt sofort die Winkelposition des Magneten mit einer wählbaren und umprogrammierbaren Auflösung von 10 bis 18 Bit an. Die ausgewählten Positionsdaten werden dann digital dargestellt und können über ein standardmäßiges SSI- (Parität) und SPI-Kommunikationsprotokoll (mit CRC- und Paritätsoption) ausgewertet werden. Auf Wunsch kann der Benutzer auch die absolute Winkelposition in PWM-kodierten Ausgangssignalen empfangen. Die inkrementellen Positionen werden auf ABI- und UVW-Signalen mit einer breiten, vom Benutzer konfigurierbaren Auflösung von 1 CPR und bis zu 20.000 CPR von ABI-Signalen und Polpaaren von 1 bis 32 Polpaaren (2 bis 64 Pole) für UVW-Kommutierungssignale angezeigt.

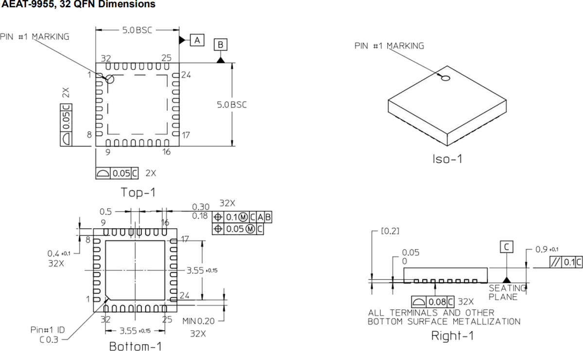
Der programmierbare magnetische Winkelkodierer AEAT-9955 von Broadcom wird in einem kompakten 5 mm x 5 mm großen Quad Flat No-Lead (QFN)-Gehäuse mit einem Betriebstemperaturbereich von -40 °C bis +125 °C angeboten.

Merkmale

  • 5,0 V und 3,3 V Betriebsspannung
  • 300 μA Stromverbrauch im Ruhemodus
  • Programmierbare 10-Bit bis zu 18-Bit absolute Auflösung
  • Die inkrementellen Positionen werden auf ABI- und UVW-Signalen mit einer vom Benutzer konfigurierbaren CPR von 0 CPR bis 20.000 CPR angezeigt.
  • KommutierungsWinkelAusgang UVW 1 S bis 32 S
  • Absolutausgang über 2-wire SSI, 3-wire SSI, 4-wire SPI und PWM
  • Dedizierter Ausgangspin für ABI, UVW und serielle Schnittstelle
  • Dedizierter Pin für Nullstellung und Fehler
  • EEPROM-Architektur für mehrmalige Benutzerkonfiguration
  • Optionale 56-Bit-Speichersperrfunktion
  • Automatische integrierte Nichtlinearitäts-Winkelkorrektur für hohe Genauigkeit
  • Entwickelt in Übereinstimmung mit ISO26262 ASIL-D und SIL3 mit einem zweiten Chip für Redundanz
  • Multi-Index mit einer Umdrehung
  • Hochohmiger Ausgang für Multi-Slave-Netzwerk
  • Betriebstemperaturbereich -40 °C bis +125 °C
  • 5 mm x 5 mm QFN-32-Gehäuse
  • RoHs-konform

Applikationen

  • Brushless DC-Motor und Schrittmotoren
  • Ersatz von Resolver und Potentiometer
  • Industrieautomatisierung und Robotik
  • Industrienähmaschinen und Textilausrüstung
  • Lichterkennung und Reichweite (LiDAR)

Blockdiagramm

Broadcom Programmierbarer magnet. Winkelkodierer AEAT-9955
Technische Zeichnung - Broadcom Programmierbarer magnet. Winkelkodierer AEAT-9955
Veröffentlichungsdatum: 2022-03-24 | Aktualisiert: 2023-01-24