Broadcom ACPL-790x Exakte Isolationsverstärker
Avago Technologies ACPL-790x Exakte Isolationsverstärker verbessern die Präzision und Reaktionszeit des Avago Isolationsverstärker-Portfolios, was sie für kompakte Anwendungen in einem kleinformatigeren Gehäuse eignet. Avago Technologies ACPL-7900, ACPL-790A und ACPL-Isolationsverstärker sind entwickelt für Strom- und Spannungssensorik in elektronischen Energieumwandlern in Anwendungen einschließlich Motortreiber und erneuerbarer Energiesysteme. Die ACPL-7900 (±3% Verstärkungstoleranz) und ACPL-790A (±1% Verstärkungstoleranz) werden für allgemeine Anwendungen empfohlen. Die ACPL-790B (±0.5% Verstärkungstoleranz) sind ideal für hochexakte Anwendungen. Diese Avago Technologies-Geräte arbeiten mit einer 5V-Versorgung und bieten eine dynamische Leistung von 60dB SNR. ACPL-790x Isolationsverstärker besitzen 200 kHz Bandbreite und 1.6µs schnelle Reaktionszeit, was es diesen Geräten ermöglicht, Transienten bei Kurzschlüssen und überlastungszuständen zu erfassen.These Broadcom devices operate from a single 5V supply and provide dynamic performance of 60dB SNR. ACPL-790x isolation amplifiers feature 200 kHz bandwidth and 1.6µs fast response time, allowing these devices to capture transients in short-circuit and overload conditions. These Broadcom precision isolation amplifiers operate over a -40°C to +105°C temperature range.
Merkmale
- -50ppm/°C Low Gain Drift
- 0.6mV Input Offset Voltage
- 0.05% Excellent Linearity
- 60dB SNR
- 200kHz Wide Bandwidth
- 3V to 5.5V Wide Supply Range for Output Side
- -40°C to +105°C Operating Temperature Range
- Advanced Sigma-Delta A/D Converter Technology
- Fully Differential Isolation Amplifier
- 15kV/µs Common-Mode Transient Immunity
- 1.6µs Fast Response Time
- DIP-8 Package
Applikationen
- Current/Voltage Sensing in AC and Servo Motor Drives
- Solar Inverters, Wind Turbine Inverters
- Industrial Process Control
- Data Acquisition Systems
- Switching Power Supply Signal Isolation
- General Purpose Analog Signal Isolation
- Traditional Current Transducer Replacements
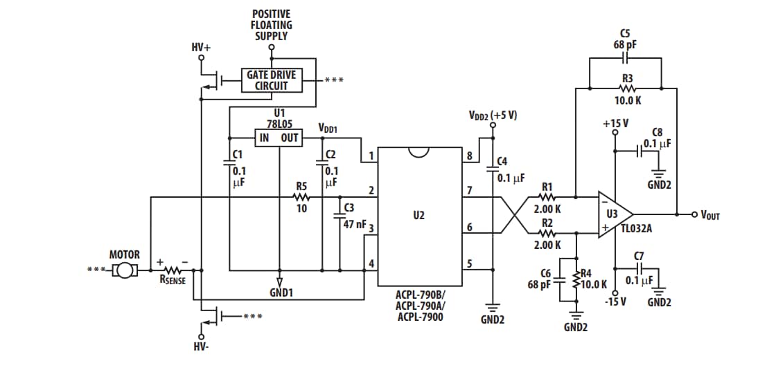
Functional Diagram
Application Circuit
Veröffentlichungsdatum: 2011-04-07
| Aktualisiert: 2024-09-19
