Broadcom AS38-H39E-SX Absolute-House-Multiturn-Encoder
Der Encoder der AS38-H39E-SX-Serie von Broadcom ist ein hochauflösender optischer absoluter Encoder, der 23-Bit eintourige und 16-Bits mehrtourige Werte und somit in Kombination eine 39 Bit hohe Auflösung bietet. Der Encoder der Serie AS38-H39E besteht aus einer gemusterten Platte, einer Lichtquelle und lichtempfindlichen Elementen, um die mechanische Bewegung in ein elektrisches Signal umzuwandeln. Die Sxxx-Optionsgeber sind mit einem SSI-Kommunikationsprotokoll vorgeladen, das von einem Vollduplex-Übertragungsnetz (RS-485) unterstützt wird. Dies bietet eine gute Störfestigkeit für eine robustere Übertragung von Daten bis zu 1 Mbit/s in rauen Industrieapplikationen.The Broadcom AS38-H39E series multi-turn tracking employs energy-harvesting technology by harvesting the magnetic energy as the encoder shaft rotates. It is the gearless multi-turn counting that eliminates the gear wear-out or acoustics noise issue that is encountered in conventional geared multi-turn encoders.
This technology does not require periodic maintenance of the battery backup components and its downtime. This product is intended for industrial application, and ESD protection circuitry has been added to achieve Class 3 ESD immunity per IEC -61000-4-2 standard. The AS38-H39E series is also compliant with IP50 per IEC 60529 standard.
Merkmale
- 39-bits resolution: 16-bits energy-harvesting multi-turn and 23-bits optical single-turn
- Built-in SSI Mode communication protocol
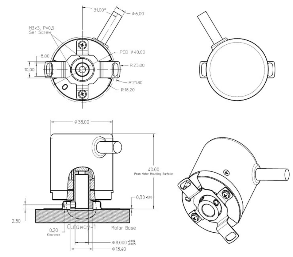
- Overall encoder outer diameter Ø38mm, and a maximum height of 40mm
- Supporting 8mm diameter of the blind hollow shaft
- No battery or capacitor is required for position detection during power failure
- Immediate position detection on power-up
Applikationen
- Robotics
- Factory automation
- Linear positioning system
- CNC machine tool
- Medical and lab equipment
- Wind turbine
Dimensions
Veröffentlichungsdatum: 2016-06-28
| Aktualisiert: 2025-01-24
