Bourns PF-J POWrFuse™ Hochleistungssicherungen

Bourns PF-J POWrFuse™ Hochleistungssicherungen bieten einen Nennstrom von 30 A bis 70 A, eine Nennspannung bis zu 500 VAC und eine Unterbrechungsleistung bis zu 2 kA. PF-J- Sicherungen sind speziell auf die Anforderungen von UL 284-14 ausgelegt und tragen zum Schutz von Systemen bei extremen Umgebungstemperaturen und Fehlerstromereignissen bei. Die Baureihe ist RoHs-konform sowie halogenfrei und hat einen Betriebstemperaturbereich von -55 °C bis +125 °C. Ideale Applikationen für Bourns PF-J POWrFuse Hochleistungssicherungen sind Industrie- und Haushaltsgeräte, Umrichter für Klimaanlagen, Kompressoren für Eismaschinen und Kompressoren für Luftentfeuchter.

Merkmale

  • Ausgelegt für Zusatzstandard UL 248-14
  • Nennstrom: 30 AA bis 70 AA
  • Bis zu 500 VAC Nennspannung
  • Unterbrechungsleistung bis zu 2 kA
  • Betriebstemperaturbereich: -55 °C bis +125 °C
  • RoHS-konform und halogenfrei

Applikationen

  • Industrieapplikationen
  • Haushaltsgeräte
  • Inverter für Klimaanlagen
  • Eismaschinenkompressoren
  • Entfeuchterkompressoren

Deratingkurve

Bourns PF-J POWrFuse™ Hochleistungssicherungen

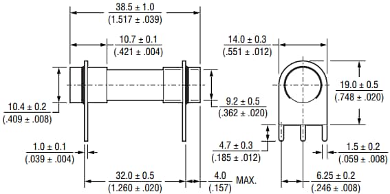
Abmessungen

Bourns PF-J POWrFuse™ Hochleistungssicherungen
Veröffentlichungsdatum: 2022-07-06 | Aktualisiert: 2025-06-12