Bourns PAC18R 18-mm-Absolutkodierer mit niedrigem Profil
Bourns PAC18R 18-mm-Absolutkodierer mit niedrigem Profil verfügen über eine Schaltleistung von 1 mA bei 10 VDC, einen Isolationswiderstand von 10 MΩ bei 500 VDC und eine IP64-Schutzart. Die PAC18R Encoder haben eine isolierte Kunststoffschaft-Dichtung für eine verbesserte IP-Ebene und eine ausgereifte erstklassige Rotationscharakteristik. Diese Encoder verfügen über ein niedriges Profil und eine Lebensdauer von bis zu 30.000 Umdrehungszyklen. Die PAC18R 18-mm-Absolutkodierer mit niedrigem Profil von Bourns sind für Applikationen ausgelegt, bei denen ein abgedichteter Absolutkodierer mit Menüauswahl erforderlich ist, einschließlich professionelle Audioausrüstungen, Kommunikationsvorrichtungen und Industrieautomatisierungssteuerungen.Merkmale
- Absolutkodierer mit niedrigem Profil
- Lebensdauer von 30.000 Umdrehungszyklen
- Betriebstemperaturbereich: -35 °C bis +70 °C
- Erstklassige Rotationscharakteristik
- Wellendichtung gemäß IP64
- Isolierte Kunststoffwelle und Buchse
- Optionale haptische Rastungsvorrichtung
- RoHS-konform
Applikationen
- Professionelle Audioausrüstungen
- Professionelle Lichtorgeln
- Verbraucher-Weißware
- Medizintechnik- und Diagnosegeräte mit Niedrig-/Mittel-Risiko
- Prüf- und Messgeräte
- Kommunikationsgeräte
- Laborausrüstung
- Industrieautomatisierungssteuerungen
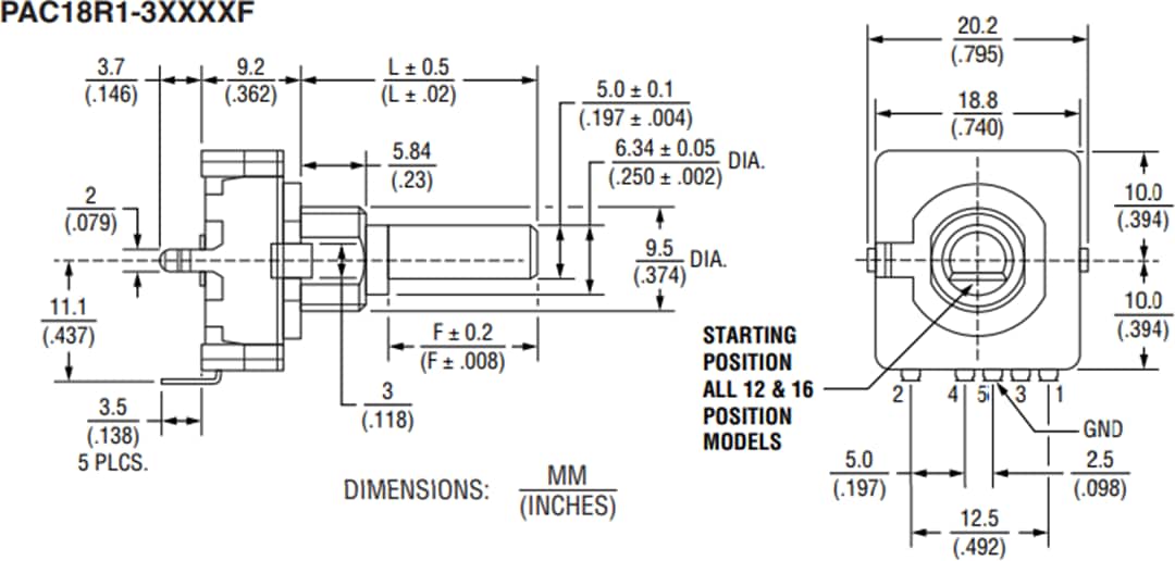
Abmessungen (PAC18R1-3XXXXXXF)
Abmessungen (PAC18R1-4XXXXF)
Veröffentlichungsdatum: 2021-01-22
| Aktualisiert: 2022-03-11
